Help us help you. By posting the year, make, model and engine near the beginning of your help request, followed by the symptoms (no start, high idle, misfire etc.) Along with any prevalent Diagnostic Trouble Codes, aka DTCs, other forum members will be able to help you get to a solution more quickly and easily!

No Click Crank or Start

  • swilson7674
  • swilson7674's Avatar Topic Author
  • Offline
  • New Member
  • New Member
More
8 years 4 months ago #15352 by swilson7674
No Click Crank or Start was created by swilson7674
2000 Lincoln LS 3.9L V-8. No click crank or start. Everything powers up(dash, radio etc) Its not a PATS issue. The starter is fully functional. I have full power to battery terminal on starter, However I have no power to the solenoid terminal when I turn the key to crank position. Relays have all been tested fuses tested.. The relays are receiving power. Battery is new and all connections are clean and snug. I could really use some guidance on this issue. Really rough time for me right now and need the car to maintain employment. God Bless.

Please Log in or Create an account to join the conversation.

  • cheryl hartkorn
  • cheryl hartkorn's Avatar
  • Offline
  • Platinum Member
  • Platinum Member
More
8 years 4 months ago #15353 by cheryl hartkorn
Replied by cheryl hartkorn on topic No Click Crank or Start
www.revbase.com/BBBMotor/Wd/DownloadPdf?id=69483 have you tried jumping the starter relays pin 30 & 87? to see if the gray wire from the relay to the starter is open.... also have you did a ground to ground voltage drop test??
The following user(s) said Thank You: Noah

Please Log in or Create an account to join the conversation.

  • Noah
  • Noah's Avatar
  • Offline
  • Moderator
  • Moderator
  • Give code definitions with numbers!
More
8 years 4 months ago #15356 by Noah
Replied by Noah on topic No Click Crank or Start
Also try to verify that if there is a gear select indicator (PRNDL) , that it indicates P or Park. Sometimes pushing the shifter up beyond park will get a car with a stretched shifter cable to crank.
If the car cranks in Neutral but not park, suspect a problem with the transmission range switch.

"Ground cannot be checked with a 10mm socket"

Please Log in or Create an account to join the conversation.

  • juergen.scholl
  • juergen.scholl's Avatar
  • Offline
  • Platinum Member
  • Platinum Member
  • Active partschanger
More
8 years 4 months ago #15373 by juergen.scholl
Replied by juergen.scholl on topic No Click Crank or Start
Check the ignitio switch if the aforementioned suggestions didn't resolve the problem.

An expert is someone who knows each time more on each time less, until he finally knows absolutely everything about absolutely nothing.

Please Log in or Create an account to join the conversation.

More
8 years 4 months ago #15377 by Andy.MacFadyen
Replied by Andy.MacFadyen on topic No Click Crank or Start
All of the above ----By-pass test on the ignition switch if not then by-pass test on the PRNDL switch

" We're trying to plug a hole in the universe, what are you doing ?. "
(Walter Bishop Fringe TV show)



Please Log in or Create an account to join the conversation.

  • swilson7674
  • swilson7674's Avatar Topic Author
  • Offline
  • New Member
  • New Member
More
8 years 4 months ago #15430 by swilson7674
Replied by swilson7674 on topic No Click Crank or Start
Briefly explain "bypass test" please.

Please Log in or Create an account to join the conversation.

  • swilson7674
  • swilson7674's Avatar Topic Author
  • Offline
  • New Member
  • New Member
More
8 years 4 months ago #15431 by swilson7674
Replied by swilson7674 on topic No Click Crank or Start
It won't crank in P or N

Please Log in or Create an account to join the conversation.

  • Chad
  • Chad's Avatar
  • Offline
  • Moderator
  • Moderator
  • I am not a parts changer.
More
8 years 4 months ago #15442 by Chad
Replied by Chad on topic No Click Crank or Start

swilson7674 wrote: Briefly explain "bypass test" please.


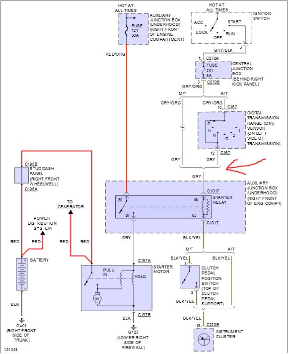
The ignition switch, when it is in the "START" position, supplies power to fuse 201. To by-pass the ignition switch and gear/range selector , use a powerprobe, or some other 12v source, to supply power to the GRY wire.


"Knowledge is a weapon. Arm yourself, well, before going to do battle."
"Understanding a question is half an answer."

I have learned more by being wrong, than I have by being right. :-)
Attachments:

Please Log in or Create an account to join the conversation.

  • swilson7674
  • swilson7674's Avatar Topic Author
  • Offline
  • New Member
  • New Member
More
8 years 4 months ago #15517 by swilson7674
Replied by swilson7674 on topic No Click Crank or Start
Could I just use a length of wire to perform this test?

Please Log in or Create an account to join the conversation.

  • swilson7674
  • swilson7674's Avatar Topic Author
  • Offline
  • New Member
  • New Member
More
8 years 4 months ago #15518 by swilson7674
Replied by swilson7674 on topic No Click Crank or Start
Also what do I do if fuse 121 is not hot at all times?

Please Log in or Create an account to join the conversation.

  • Chad
  • Chad's Avatar
  • Offline
  • Moderator
  • Moderator
  • I am not a parts changer.
More
8 years 4 months ago #15520 by Chad
Replied by Chad on topic No Click Crank or Start

swilson7674 wrote: Could I just use a length of wire to perform this test?



Yes.

"Knowledge is a weapon. Arm yourself, well, before going to do battle."
"Understanding a question is half an answer."

I have learned more by being wrong, than I have by being right. :-)

Please Log in or Create an account to join the conversation.

  • Chad
  • Chad's Avatar
  • Offline
  • Moderator
  • Moderator
  • I am not a parts changer.
More
8 years 4 months ago #15521 by Chad
Replied by Chad on topic No Click Crank or Start

swilson7674 wrote: Also what do I do if fuse 121 is not hot at all times?


Fuse 121 gets its power from MEGA FUSE F18


"Knowledge is a weapon. Arm yourself, well, before going to do battle."
"Understanding a question is half an answer."

I have learned more by being wrong, than I have by being right. :-)
Attachments:

Please Log in or Create an account to join the conversation.

  • swilson7674
  • swilson7674's Avatar Topic Author
  • Offline
  • New Member
  • New Member
More
8 years 4 months ago #15576 by swilson7674
Replied by swilson7674 on topic No Click Crank or Start
The car cranked when I applied power to the gray wire. What does that mean and what next?

Please Log in or Create an account to join the conversation.

  • Chad
  • Chad's Avatar
  • Offline
  • Moderator
  • Moderator
  • I am not a parts changer.
More
8 years 4 months ago #15577 by Chad
Replied by Chad on topic No Click Crank or Start
It means that the relay, the starter, and fuse 121 are all good.

Next, verify FUSE 201 is good and has battery voltage when turning the key to the "START" position.

"Knowledge is a weapon. Arm yourself, well, before going to do battle."
"Understanding a question is half an answer."

I have learned more by being wrong, than I have by being right. :-)
The following user(s) said Thank You: swilson7674

Please Log in or Create an account to join the conversation.

  • swilson7674
  • swilson7674's Avatar Topic Author
  • Offline
  • New Member
  • New Member
More
8 years 4 months ago #15582 by swilson7674
Replied by swilson7674 on topic No Click Crank or Start
Ok. Just to clarify, Start not Crank...

Please Log in or Create an account to join the conversation.

  • Chad
  • Chad's Avatar
  • Offline
  • Moderator
  • Moderator
  • I am not a parts changer.
More
8 years 4 months ago #15583 by Chad
Replied by Chad on topic No Click Crank or Start
Start = Crank
On = Run

"Knowledge is a weapon. Arm yourself, well, before going to do battle."
"Understanding a question is half an answer."

I have learned more by being wrong, than I have by being right. :-)

Please Log in or Create an account to join the conversation.

  • swilson7674
  • swilson7674's Avatar Topic Author
  • Offline
  • New Member
  • New Member
More
8 years 4 months ago #15631 by swilson7674
Replied by swilson7674 on topic No Click Crank or Start
So,if it does not have power, what does that point to. If it does have power what is next?

Please Log in or Create an account to join the conversation.

  • Chad
  • Chad's Avatar
  • Offline
  • Moderator
  • Moderator
  • I am not a parts changer.
More
8 years 4 months ago #15635 by Chad
Replied by Chad on topic No Click Crank or Start
If it does NOT have power, it mean you need to check for power going INTO the ignition switch.

If it DOES have power, it means your ignition switch it OK. Move on to the DTR. With the key in the START/CRANK position, do you have power at the gry/org wire goin INTO the DTR on pin 10? Power coming OUT on the GRY wire on pin 12?

"Knowledge is a weapon. Arm yourself, well, before going to do battle."
"Understanding a question is half an answer."

I have learned more by being wrong, than I have by being right. :-)

Please Log in or Create an account to join the conversation.

  • swilson7674
  • swilson7674's Avatar Topic Author
  • Offline
  • New Member
  • New Member
More
8 years 4 months ago #15643 by swilson7674
Replied by swilson7674 on topic No Click Crank or Start
Your advice has been invaluable to me and I really do appreciate it. The DTR, is it a part that has a high failure rate and what about ignition switches? What is it that causes them to fail. They seem to be just contacts.

Please Log in or Create an account to join the conversation.

  • swilson7674
  • swilson7674's Avatar Topic Author
  • Offline
  • New Member
  • New Member
More
8 years 4 months ago #15644 by swilson7674
Replied by swilson7674 on topic No Click Crank or Start
I have not tested the DTR in that manner. I picked up a couple at a salvage yard for cheap. There is every chance in the world they're both bad, who knows. Maybe I should grab a couple ignition switches as well. Are there any "bench" tests for these parts?

Please Log in or Create an account to join the conversation.

Time to create page: 0.498 seconds