Help us help you. By posting the year, make, model and engine near the beginning of your help request, followed by the symptoms (no start, high idle, misfire etc.) Along with any prevalent Diagnostic Trouble Codes, aka DTCs, other forum members will be able to help you get to a solution more quickly and easily!
IAC valve
- nicky.van.rooyen
-
Topic Author
- Offline
- Junior Member
-
Less
More
- Posts: 22
- Thank you received: 10
8 years 2 months ago #14620
by nicky.van.rooyen
IAC valve was created by nicky.van.rooyen
Chev Aveo 1.6 Eng F16D3
Idling Control Valve motor does not run when the ignition is switched on. The PO Code is P0507/506 is set. I did check the wire from the IAC valve to PCM found continuous in all 4 wires. It seems like the PCM is not giving the IAC its command
When you put the ignition on the stepper motor does not run to set Idling. Unfortunately, I do not have a wiring diagram. Can it be the water temp sensor or PCM?
Thank you
Nicky
Idling Control Valve motor does not run when the ignition is switched on. The PO Code is P0507/506 is set. I did check the wire from the IAC valve to PCM found continuous in all 4 wires. It seems like the PCM is not giving the IAC its command
When you put the ignition on the stepper motor does not run to set Idling. Unfortunately, I do not have a wiring diagram. Can it be the water temp sensor or PCM?
Thank you
Nicky
The following user(s) said Thank You: aboudi.naddaf
Please Log in or Create an account to join the conversation.
- Andreastech
-
- Offline
- Junior Member
-
Less
More
- Posts: 27
- Thank you received: 8
8 years 2 months ago #14621
by Andreastech
Replied by Andreastech on topic IAC valve
Hi there, at the 4 wires at idle air control valve, did you check them by multimeter ??
what does it missing ??
no power ???
no ground ??
no singal ?
are missing all ??
key on engine off sould be something ... or engine running ...
what does it missing ??
no power ???
no ground ??
no singal ?
are missing all ??
key on engine off sould be something ... or engine running ...
The following user(s) said Thank You: aboudi.naddaf
Please Log in or Create an account to join the conversation.
- charck
-
- Offline
- New Member
-
Less
More
- Posts: 1
- Thank you received: 1
8 years 2 months ago #14628
by charck
Replied by charck on topic IAC valve
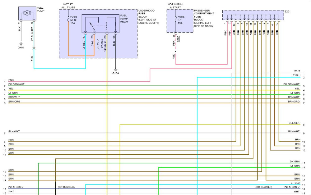
that the firs thing that you should get before to attemp to solve a problem a good wirind diagram can a simple thindg as a open wire or short to ground wire to steeper motor some of the thing that i found on this cases that steeper motor is stuck but is esy to test with a good scanner or that worse case can be a bad contac on the ecm conector on mi years of experience a very few time i found bad stepper motor they are only slave they will do what the ecm tell to do
g diagram
g diagram
The following user(s) said Thank You: aboudi.naddaf
Please Log in or Create an account to join the conversation.
- nicky.van.rooyen
-
Topic Author
- Offline
- Junior Member
-
Less
More
- Posts: 22
- Thank you received: 10
8 years 2 months ago #14636
by nicky.van.rooyen
Replied by nicky.van.rooyen on topic IAC valve
thanks it is very difficult to get good wiring diagrams in RSA I also don not know what gives the IAC it's command, the tps,map, or water temp . I'm going to back probe the pcm to see if the signal is send there . I did cheak there is no signal at the IAC on any of the for wires but I do get a P0506 code THANKS
The following user(s) said Thank You: aboudi.naddaf
Please Log in or Create an account to join the conversation.
- Chad
-
- Offline
- Moderator
-
- I am not a parts changer.
Less
More
- Posts: 2129
- Thank you received: 715
8 years 2 months ago - 8 years 2 months ago #14638
by Chad
"Knowledge is a weapon. Arm yourself, well, before going to do battle."
"Understanding a question is half an answer."
I have learned more by being wrong, than I have by being right.
Replied by Chad on topic IAC valve
"Knowledge is a weapon. Arm yourself, well, before going to do battle."
"Understanding a question is half an answer."
I have learned more by being wrong, than I have by being right.
Last edit: 8 years 2 months ago by Chad.
The following user(s) said Thank You: aboudi.naddaf
Please Log in or Create an account to join the conversation.
- Chad
-
- Offline
- Moderator
-
- I am not a parts changer.
Less
More
- Posts: 2129
- Thank you received: 715
8 years 2 months ago #14639
by Chad
"Knowledge is a weapon. Arm yourself, well, before going to do battle."
"Understanding a question is half an answer."
I have learned more by being wrong, than I have by being right.
Replied by Chad on topic IAC valve
"Knowledge is a weapon. Arm yourself, well, before going to do battle."
"Understanding a question is half an answer."
I have learned more by being wrong, than I have by being right.
The following user(s) said Thank You: nicky.van.rooyen, aboudi.naddaf
Please Log in or Create an account to join the conversation.
- nicky.van.rooyen
-
Topic Author
- Offline
- Junior Member
-
Less
More
- Posts: 22
- Thank you received: 10
8 years 2 months ago #14677
by nicky.van.rooyen
Replied by nicky.van.rooyen on topic IAC valve
hi thanks for the info If you can help me understand the following
on the ECM no 13 is iac A Hi goes to iac valve wire D
on the ECM no 14 is iac B Hi goes to iac valve wire A
on the ECM no 15 is iac B lo goes to iac valve wire c
on the ECM no 16 is iac A lo goes to no 24 on left side (do not know what that is on the left)
on the ECM no 30 is iac B Hi goes to iac valve wire B
thanks
on the ECM no 13 is iac A Hi goes to iac valve wire D
on the ECM no 14 is iac B Hi goes to iac valve wire A
on the ECM no 15 is iac B lo goes to iac valve wire c
on the ECM no 16 is iac A lo goes to no 24 on left side (do not know what that is on the left)
on the ECM no 30 is iac B Hi goes to iac valve wire B
thanks
The following user(s) said Thank You: aboudi.naddaf
Please Log in or Create an account to join the conversation.
Time to create page: 0.352 seconds