Help us help you. By posting the year, make, model and engine near the beginning of your help request, followed by the symptoms (no start, high idle, misfire etc.) Along with any prevalent Diagnostic Trouble Codes, aka DTCs, other forum members will be able to help you get to a solution more quickly and easily!
What does this scope capture tell you, ignore the make off car.help pls
- paul.simpson
-
Topic Author
- Offline
- Senior Member
-
- Fat fingers and small kèypads don't get on
Less
More
- Posts: 47
- Thank you received: 1
8 years 2 months ago - 8 years 2 months ago #14150
by paul.simpson
What does this scope capture tell you, ignore the make off car.help pls was created by paul.simpson
No start and no fault codes present. 2006 jaguar 2.0 diesel
Good compression .
Tested computor grounds and powers all good except power supply from computer to injectors .i have a ground but power supply is only 5 volts. Two power supplies ,each supply power to 2 injectors, both have 5 volts . Electric drawing states b+.from the computer to the injectors. I have tested at pcm also and present is 5v.
I have tested resistance from pcm connector to injector connections
( injectors and pcm disconnected ) and the reading is zero on all.
But note on the scope the wave form can some one confirm if hhey see different pls. At one point it peaks at a high .
This scope is on cranking only .
So i am calling a bad computer but can someone confirm views pls.
[attachment=2112]Screenshot_2017-10-24-23-37-05.png[/attachment
Thanks inadvance.
Good compression .
Tested computor grounds and powers all good except power supply from computer to injectors .i have a ground but power supply is only 5 volts. Two power supplies ,each supply power to 2 injectors, both have 5 volts . Electric drawing states b+.from the computer to the injectors. I have tested at pcm also and present is 5v.
I have tested resistance from pcm connector to injector connections
( injectors and pcm disconnected ) and the reading is zero on all.
But note on the scope the wave form can some one confirm if hhey see different pls. At one point it peaks at a high .
This scope is on cranking only .
So i am calling a bad computer but can someone confirm views pls.
[attachment=2112]Screenshot_2017-10-24-23-37-05.png[/attachment
Thanks inadvance.
Last edit: 8 years 2 months ago by paul.simpson. Reason: Better drawing
Please Log in or Create an account to join the conversation.
- Chad
-
- Offline
- Moderator
-
- I am not a parts changer.
Less
More
- Posts: 2129
- Thank you received: 715
8 years 2 months ago #14151
by Chad
"Knowledge is a weapon. Arm yourself, well, before going to do battle."
"Understanding a question is half an answer."
I have learned more by being wrong, than I have by being right.
Replied by Chad on topic No start , bad computer .???
Year, make, model, engine size?
"Knowledge is a weapon. Arm yourself, well, before going to do battle."
"Understanding a question is half an answer."
I have learned more by being wrong, than I have by being right.
The following user(s) said Thank You: paul.simpson
Please Log in or Create an account to join the conversation.
- paul.simpson
-
Topic Author
- Offline
- Senior Member
-
- Fat fingers and small kèypads don't get on
Less
More
- Posts: 47
- Thank you received: 1
8 years 2 months ago #14155
by paul.simpson
Replied by paul.simpson on topic No start , bad computer .???
Sorry pole 71 ive amended the missing info.
Please Log in or Create an account to join the conversation.
- paul.simpson
-
Topic Author
- Offline
- Senior Member
-
- Fat fingers and small kèypads don't get on
Less
More
- Posts: 47
- Thank you received: 1
8 years 2 months ago #14245
by paul.simpson
Replied by paul.simpson on topic No start , bad computer .???
Hello ive changed the title hoping i would get a better response, but also putting the make ,model and engine has clearly frighten people away.Testing a faulty component is it not the same as testing another item from a different make ?.
Please Log in or Create an account to join the conversation.
- Chad
-
- Offline
- Moderator
-
- I am not a parts changer.
Less
More
- Posts: 2129
- Thank you received: 715
8 years 2 months ago #14250
by Chad
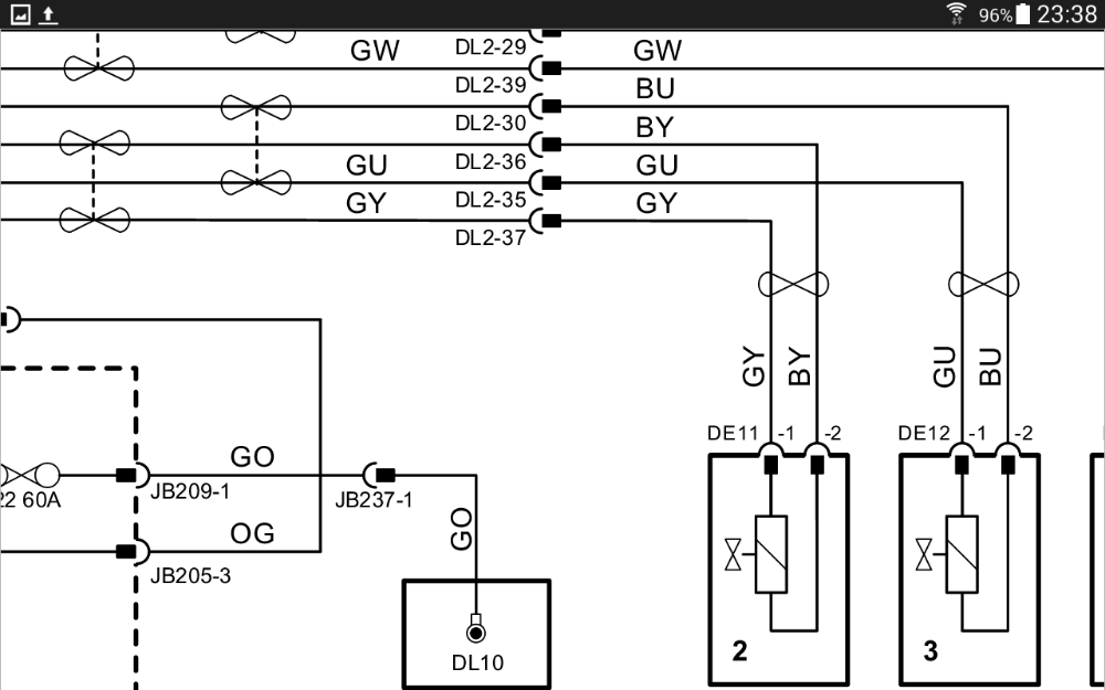
Sadly, for me, this is true. I know very little about diesel diagnostics and, even less about Jaguar's. I am having a hard time reading the schematic that you posted and I have tried looking on Mitchell, but cannot find any schematics on a 2.0 diesel.
I see both wires of the injectors go back to the ECM and I am unsure of circuit design. I am wondering if the 5v is a bias.
I would be interested in seeing a waveform at a faster time base.
"Knowledge is a weapon. Arm yourself, well, before going to do battle."
"Understanding a question is half an answer."
I have learned more by being wrong, than I have by being right.
Replied by Chad on topic No start , bad computer .???
paul.simpson wrote: the make ,model and engine has clearly frighten people away.
Sadly, for me, this is true. I know very little about diesel diagnostics and, even less about Jaguar's. I am having a hard time reading the schematic that you posted and I have tried looking on Mitchell, but cannot find any schematics on a 2.0 diesel.
I see both wires of the injectors go back to the ECM and I am unsure of circuit design. I am wondering if the 5v is a bias.
I would be interested in seeing a waveform at a faster time base.
"Knowledge is a weapon. Arm yourself, well, before going to do battle."
"Understanding a question is half an answer."
I have learned more by being wrong, than I have by being right.
Please Log in or Create an account to join the conversation.
- steve
-
- Offline
- Junior Member
-
Less
More
- Posts: 32
- Thank you received: 17
8 years 2 months ago #14252
by steve
Replied by steve on topic No start , bad computer .???
I wouldn't be too quick to condemn the computer
Looks to me like the ecu is not ready to fire the injectors and is just building charge for the capacitors.
When cranking the ecu will apply a voltage to energise the coil in the injector then release it to create a higher voltage (induction). It then captures this voltage and stores it ready to fire the injectors
The injectors need over 50 volts to be able to inject fuel
In live data do you have good fuel pressure, rpm reading, cam/crank sync? As the ecu will not fire the injectors until the right conditions are met
Looks to me like the ecu is not ready to fire the injectors and is just building charge for the capacitors.
When cranking the ecu will apply a voltage to energise the coil in the injector then release it to create a higher voltage (induction). It then captures this voltage and stores it ready to fire the injectors
The injectors need over 50 volts to be able to inject fuel
In live data do you have good fuel pressure, rpm reading, cam/crank sync? As the ecu will not fire the injectors until the right conditions are met
Please Log in or Create an account to join the conversation.
- paul.simpson
-
Topic Author
- Offline
- Senior Member
-
- Fat fingers and small kèypads don't get on
Less
More
- Posts: 47
- Thank you received: 1
8 years 2 months ago - 8 years 2 months ago #14255
by paul.simpson
Replied by paul.simpson on topic No start , bad computer .???
Thankyou, i will try and get a better quality electrical drawing....
I have now put up two attachments hopefully you can zoom in and see it better.
I would off thought if you see a battery + at the ecu terminal 118 then it should read 12v when tested , so im not sure about a a bais.
This weekend i will try and a get a 4 scope capture of whats going on.
I have now put up two attachments hopefully you can zoom in and see it better.
I would off thought if you see a battery + at the ecu terminal 118 then it should read 12v when tested , so im not sure about a a bais.
This weekend i will try and a get a 4 scope capture of whats going on.
Last edit: 8 years 2 months ago by paul.simpson. Reason: More info added
Please Log in or Create an account to join the conversation.
- paul.simpson
-
Topic Author
- Offline
- Senior Member
-
- Fat fingers and small kèypads don't get on
Less
More
- Posts: 47
- Thank you received: 1
8 years 2 months ago #14256
by paul.simpson
Replied by paul.simpson on topic No start , bad computer .???
Thanks steve, i do have a cranks signal looking at the rpm count. The pump pressure is the same when it was running 3 weeks ago and i know this because it was montiored too see what was going on , prior to that it had new pump , fuel injectors and the tank flushed and ran well for a month.. one morning 100 yards down the road cut out would not start, been that way since.
Bad thing is its my own car , so i can only jump on it when i am free to do so.
I will try and get a 4 scope capture this weekend .
Bad thing is its my own car , so i can only jump on it when i am free to do so.
I will try and get a 4 scope capture this weekend .
Please Log in or Create an account to join the conversation.
- steve
-
- Offline
- Junior Member
-
Less
More
- Posts: 32
- Thank you received: 17
8 years 2 months ago #14313
by steve
Replied by steve on topic No start , bad computer .???
I can sympathize with you there, it's a right pain trying to do anything on your own car, last thing you want to do when you've been at work all week
If you can post cam, crank and fuel pressure signal I'll see if I have any known good
Injector amps as well if you have a low amps clamp
Starter current if possible and if you can post live data when cranking
If you can post cam, crank and fuel pressure signal I'll see if I have any known good
Injector amps as well if you have a low amps clamp
Starter current if possible and if you can post live data when cranking
The following user(s) said Thank You: paul.simpson
Please Log in or Create an account to join the conversation.
- paul.simpson
-
Topic Author
- Offline
- Senior Member
-
- Fat fingers and small kèypads don't get on
Less
More
- Posts: 47
- Thank you received: 1
8 years 2 months ago #14337
by paul.simpson
Replied by paul.simpson on topic No start , bad computer .???
Thanks steve did not have time this weekend, ending up doing a engine swap on honda civic and sunday was my daughters birthday. Will try and get some thing sorted asap.
Please Log in or Create an account to join the conversation.
Time to create page: 0.325 seconds