Help us help you. By posting the year, make, model and engine near the beginning of your help request, followed by the symptoms (no start, high idle, misfire etc.) Along with any prevalent Diagnostic Trouble Codes, aka DTCs, other forum members will be able to help you get to a solution more quickly and easily!

2001 Hyundai PCM fuse location

More
8 years 4 months ago #13936 by Tim
2001 Hyundai PCM fuse location was created by Tim
I have a problem where the Evap canister solenoid (at rear of car) was suspect - couldn't fill up the tank and check engine light was on. I used an old fashioned voltage tester and I had 12 volts dc on one of the connector pins but no voltage on the negative pin. I'm under the impression that the light-up tester should have a dim light on the negative side (PCM) when the key is on and the sensor is connected to voltage. I had no voltage at all but mistakenly left the tester hooked up to 12 volts and touched the negative wire to a known ground. The car would not start after I did that. The OBD shows DTC error. Was I lucky enough to only have blown a fuse or is the PCM ruined . Yes the battery was hooked up when I worked on it. If there is a fuse. Where is it. All answers appreciated.

Please Log in or Create an account to join the conversation.

  • Dylan
  • Dylan's Avatar
  • Offline
  • Moderator
  • Moderator
  • Belgium, Europe
More
8 years 4 months ago #13949 by Dylan
Replied by Dylan on topic 2001 Hyundai PCM fuse location
Welcome Tim ;)
Moving your topic to 'Repair questions'
The following user(s) said Thank You: Tim

Please Log in or Create an account to join the conversation.

More
8 years 4 months ago #13955 by Tim
Replied by Tim on topic 2001 Hyundai PCM fuse location
Excellent but when may I expect an answer? Please advise.

Please Log in or Create an account to join the conversation.

  • Chad
  • Chad's Avatar
  • Offline
  • Moderator
  • Moderator
  • I am not a parts changer.
More
8 years 4 months ago - 8 years 4 months ago #13959 by Chad
Replied by Chad on topic 2001 Hyundai PCM fuse location
Hi, Tim.

Excellent but when may I expect an answer? Please advise.

I'm sure one of the moderators will be responding, soon. They are some very sharp guys and are, usually, pretty quick to respond.

In the meantime, I have a few questions?

Tim wrote: I used an old fashioned voltage tester

Are you referring to an incandescent test light? Or, an analog swing needle volt meter?

I had 12 volts dc on one of the connector pins but no voltage on the negative pin

Is this back-probing, with the connector connected to the solenoid?

I'm under the impression that the light-up tester should have a dim light on the negative side (PCM) when the key is on and the sensor is connected to voltage.

This is correct, with the connector connected.

left the tester hooked up to 12 volts and touched the negative wire to a known ground

This should not hurt anything. An incandescent test light with simply illuminate. An analog meter should simply read 12v.

If there is a fuse. Where is it.

Which model Hyundai is it? What is the 8th vin digit?

"Knowledge is a weapon. Arm yourself, well, before going to do battle."
"Understanding a question is half an answer."

I have learned more by being wrong, than I have by being right. :-)
Last edit: 8 years 4 months ago by Chad.

Please Log in or Create an account to join the conversation.

More
8 years 4 months ago #13962 by Tim
Replied by Tim on topic 2001 Hyundai PCM fuse location
Tester is an incandescent.
Connector was not connected to solenoid when testing for 12 volts.
Next I plugged the connector back in with a jumper from the negative(white) wire .
I heard a "pop". Now the car will not start but the engine turns over as it normally does.
The ninth digit is a 1.

Thanks

Please Log in or Create an account to join the conversation.

  • Chad
  • Chad's Avatar
  • Offline
  • Moderator
  • Moderator
  • I am not a parts changer.
More
8 years 4 months ago #13965 by Chad
Replied by Chad on topic 2001 Hyundai PCM fuse location
I need the Model....Accent? Elantra? Santa Fe?......and the 8th (eighth) VIN digit, not the 9th.

"Knowledge is a weapon. Arm yourself, well, before going to do battle."
"Understanding a question is half an answer."

I have learned more by being wrong, than I have by being right. :-)

Please Log in or Create an account to join the conversation.

  • Chad
  • Chad's Avatar
  • Offline
  • Moderator
  • Moderator
  • I am not a parts changer.
More
8 years 4 months ago - 8 years 4 months ago #13966 by Chad
Replied by Chad on topic 2001 Hyundai PCM fuse location
ScannerDanner uses a power probe to test in this video, but the procedure is the same for an incandescent test light. Notice that the connector is STILL CONNECTED to the solenoid during the test. The voltage that is read on the negative side is voltage that came through the windings in the solenoid....in from the power side, though the solenoid, to the ground side. You can see the voltage and the ground side because there is no ground.....until the computer commands the solenoid "ON" by providing a ground to the circuit.



"Knowledge is a weapon. Arm yourself, well, before going to do battle."
"Understanding a question is half an answer."

I have learned more by being wrong, than I have by being right. :-)
Last edit: 8 years 4 months ago by Chad.

Please Log in or Create an account to join the conversation.

  • Chad
  • Chad's Avatar
  • Offline
  • Moderator
  • Moderator
  • I am not a parts changer.
More
8 years 4 months ago #13967 by Chad
Replied by Chad on topic 2001 Hyundai PCM fuse location
I should add that using an incandescent test light to check for the voltage on the CONTROL side has some variable, in that there is resistance in the solenoid winding, and there is resistance in the test light element. The brightness of the test light depends on these resistances. Also, the solenoid may activate once it receives the ground from the test light.

"Knowledge is a weapon. Arm yourself, well, before going to do battle."
"Understanding a question is half an answer."

I have learned more by being wrong, than I have by being right. :-)

Please Log in or Create an account to join the conversation.

More
8 years 4 months ago #13975 by Tim
Replied by Tim on topic 2001 Hyundai PCM fuse location
Thank you. So I did short out the circuit by not having the solenoid connected. What damage is likely to have occurred? Is there a fuse for this circuit and if so where is it. Thanks for your time.

Please Log in or Create an account to join the conversation.

  • Chad
  • Chad's Avatar
  • Offline
  • Moderator
  • Moderator
  • I am not a parts changer.
More
8 years 4 months ago #13978 by Chad
Replied by Chad on topic 2001 Hyundai PCM fuse location

Tim wrote: What damage is likely to have occurred? Is there a fuse for this circuit and if so where is it.


What Model and Engine? I need more than just "Hyundai".

"Knowledge is a weapon. Arm yourself, well, before going to do battle."
"Understanding a question is half an answer."

I have learned more by being wrong, than I have by being right. :-)

Please Log in or Create an account to join the conversation.

More
8 years 4 months ago #13980 by Tim
Replied by Tim on topic 2001 Hyundai PCM fuse location
Thanks. It is a 2001 Hyundai Elantra GT with the L4-2.Ol.

Please Log in or Create an account to join the conversation.

  • Chad
  • Chad's Avatar
  • Offline
  • Moderator
  • Moderator
  • I am not a parts changer.
More
8 years 4 months ago #13981 by Chad
Replied by Chad on topic 2001 Hyundai PCM fuse location
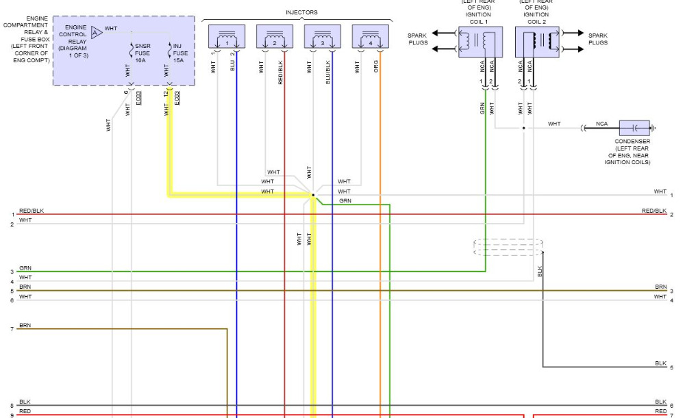
It looks like the solenoid shares a fuse with the injectors. Check the engine compartment Relay & Fuse Box. Look for the 15 amp INJ(ector) Fuse.



"Knowledge is a weapon. Arm yourself, well, before going to do battle."
"Understanding a question is half an answer."

I have learned more by being wrong, than I have by being right. :-)
Attachments:
The following user(s) said Thank You: Dylan

Please Log in or Create an account to join the conversation.

More
8 years 4 months ago #13983 by Tim
Replied by Tim on topic 2001 Hyundai PCM fuse location
Bingo. Good job. I should've known better than to run the test with tthe connector free of the load.

Please Log in or Create an account to join the conversation.

  • Chad
  • Chad's Avatar
  • Offline
  • Moderator
  • Moderator
  • I am not a parts changer.
More
8 years 4 months ago #13988 by Chad
Replied by Chad on topic 2001 Hyundai PCM fuse location
Great! :)

To clarify, though, the reason the fuse blew is NOT because you tested with the connector dis-connected. It is because you shorted the power wire (WHT) directly to ground, WITHOUT any resistor. I.E. the test light element, or solenoid windings. Even with the connector plugged in, back-probing the power feed to ground, with out a resistor, will pop the fuse.

"Knowledge is a weapon. Arm yourself, well, before going to do battle."
"Understanding a question is half an answer."

I have learned more by being wrong, than I have by being right. :-)

Please Log in or Create an account to join the conversation.

More
8 years 4 months ago #14002 by Tim
Replied by Tim on topic 2001 Hyundai PCM fuse location
Hi: I made the poor assumption that the white wire was negative. Thanks to the schematic you included I now see that clearly. Have a good day.

Please Log in or Create an account to join the conversation.

Time to create page: 0.423 seconds