Help us help you. By posting the year, make, model and engine near the beginning of your help request, followed by the symptoms (no start, high idle, misfire etc.) Along with any prevalent Diagnostic Trouble Codes, aka DTCs, other forum members will be able to help you get to a solution more quickly and easily!

04 Cadillac DeVille P0481

  • Nandor69
  • Nandor69's Avatar Topic Author
  • Offline
  • Senior Member
  • Senior Member
More
8 years 9 months ago #11797 by Nandor69
04 Cadillac DeVille P0481 was created by Nandor69
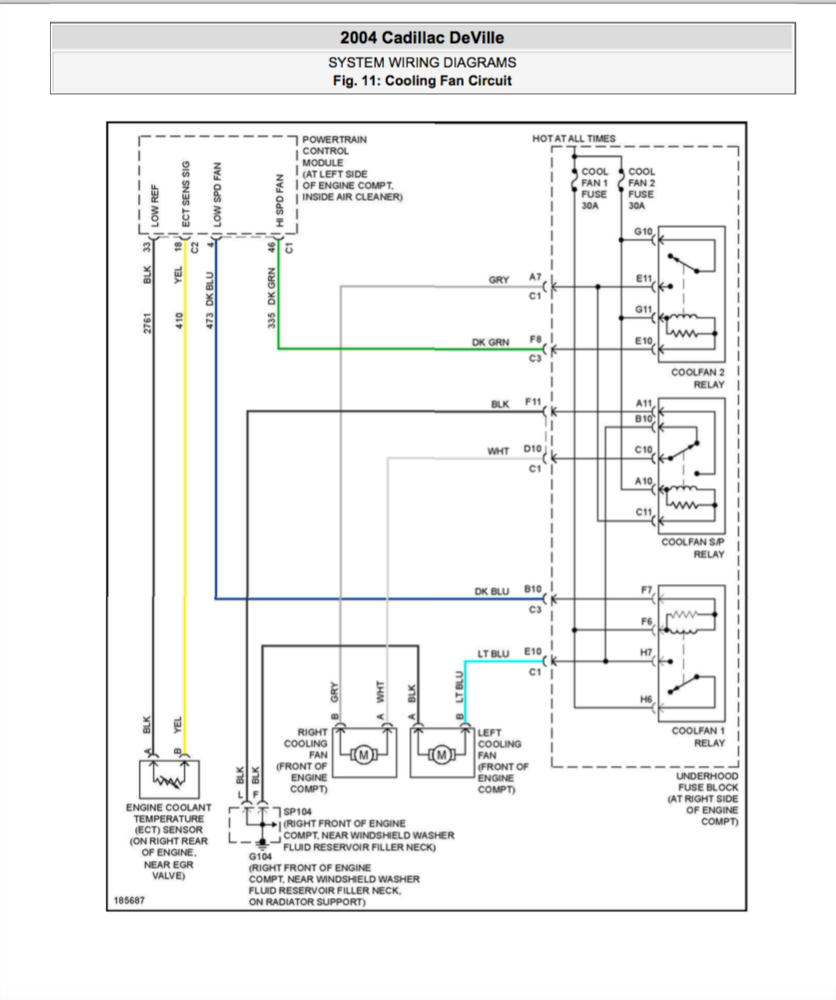
Can anyone explain how the control side of the COOLFAN S/P RELAY can ever get grounded.
Attachments:

Please Log in or Create an account to join the conversation.

More
8 years 9 months ago #11799 by Dead_Eric
Replied by Dead_Eric on topic 04 Cadillac DeVille P0481
An error in the redraw?

Try this one.
Attachments:
The following user(s) said Thank You: Nandor69

Please Log in or Create an account to join the conversation.

  • Nandor69
  • Nandor69's Avatar Topic Author
  • Offline
  • Senior Member
  • Senior Member
More
8 years 9 months ago #11806 by Nandor69
Replied by Nandor69 on topic 04 Cadillac DeVille P0481
That one does make more since. But I dont think it’s the right one. This deVille definitely has 2 30 amp fused running the fans.

Thanks!

Please Log in or Create an account to join the conversation.

Time to create page: 0.241 seconds