*** Restricting New Posts to SD Premium Members ONLY *** (09 May 2025)
Just made a new account? Can't post? Click above.
Help us help you. By posting the year, make, model and engine near the beginning of your help request, followed by the symptoms (no start, high idle, misfire etc.) Along with any prevalent Diagnostic Trouble Codes, aka DTCs, other forum members will be able to help you get to a solution more quickly and easily!
18 Ram 5500 6.7 L P0626
- brianmstoltzfus
-
Topic Author
- Offline
- Junior Member
-
Less
More
- Posts: 31
- Thank you received: 4
11 months 3 weeks ago #67667
by brianmstoltzfus
18 Ram 5500 6.7 L P0626 was created by brianmstoltzfus
Hi I have a 18 Ram 5500 6.7 L setting P0626 and not charging the batteries. I installed a reman alternator and it worked for about 5 min then set P0626 again and is not charging again. I may have a defective part but how do I prove the PCM regulator is working like it should? I have 2.5 v on the field control wire when it's plugged into the alternator and the truck is running but I expected it to be a digital square wave signal and it is not. I am having a hard time finding solid info on how the regulator controls the alternator.
Please Log in or Create an account to join the conversation.
- Chad
-
- Offline
- Moderator
-
- I am not a parts changer.
Less
More
- Posts: 2123
- Thank you received: 710
11 months 3 weeks ago - 11 months 3 weeks ago #67672
by Chad
"Knowledge is a weapon. Arm yourself, well, before going to do battle."
"Understanding a question is half an answer."
I have learned more by being wrong, than I have by being right.
Replied by Chad on topic 18 Ram 5500 6.7 L P0626
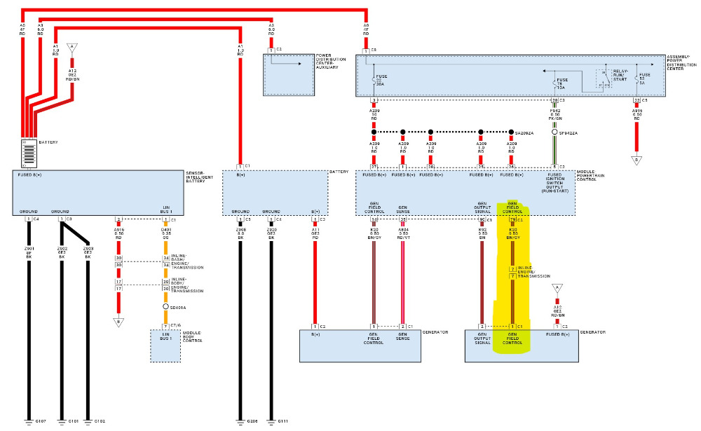
P0626 Set Condition:The PCM detects that the (K20) Generator Field Control circuit is open or shorted to voltage.
Check the integrity of the (K20) Generator Field Control circuit:
Check the integrity of the (K20) Generator Field Control circuit:
"Knowledge is a weapon. Arm yourself, well, before going to do battle."
"Understanding a question is half an answer."
I have learned more by being wrong, than I have by being right.
Last edit: 11 months 3 weeks ago by Chad.
Please Log in or Create an account to join the conversation.
- brianmstoltzfus
-
Topic Author
- Offline
- Junior Member
-
Less
More
- Posts: 31
- Thank you received: 4
11 months 3 weeks ago #67684
by brianmstoltzfus
Replied by brianmstoltzfus on topic 18 Ram 5500 6.7 L P0626
Thanks for this Chad. I do have Alldata and was able to get much of this info there. I guess I'm wishing to know what the field control from the ECM is supposed to look like on a scope. -Brian
Please Log in or Create an account to join the conversation.
- Chad
-
- Offline
- Moderator
-
- I am not a parts changer.
Less
More
- Posts: 2123
- Thank you received: 710
11 months 3 weeks ago #67705
by Chad
"Knowledge is a weapon. Arm yourself, well, before going to do battle."
"Understanding a question is half an answer."
I have learned more by being wrong, than I have by being right.
Replied by Chad on topic 18 Ram 5500 6.7 L P0626
I'm sorry but, I don't have/know that info but, I would assume it is supposed to be a square-wave, too.
"Knowledge is a weapon. Arm yourself, well, before going to do battle."
"Understanding a question is half an answer."
I have learned more by being wrong, than I have by being right.
Please Log in or Create an account to join the conversation.
- Tyler
-
- Offline
- Moderator
-
- Full time HACK since 2012
Less
More
- Posts: 6046
- Thank you received: 1519
11 months 2 weeks ago #67822
by Tyler
Replied by Tyler on topic 18 Ram 5500 6.7 L P0626
The field control will look like a power side switched square wave. The more the PCM wants the alternator to charge, the more pulse width it supplies.
For testing purposes, you can install a turn signal bulb in place of the alternator. One wire on the bulb goes to the field circuit, the other to ground. The PCM should easily be able to light the bulb. Use the scan tool bidirectional test for the alternator if it's available.
If it can't, then there's a PCM or circuit problem. If it can, then there's an alternator problem.
For testing purposes, you can install a turn signal bulb in place of the alternator. One wire on the bulb goes to the field circuit, the other to ground. The PCM should easily be able to light the bulb. Use the scan tool bidirectional test for the alternator if it's available.
If it can't, then there's a PCM or circuit problem. If it can, then there's an alternator problem.
The following user(s) said Thank You: Noah, Chad
Please Log in or Create an account to join the conversation.
Time to create page: 0.304 seconds