*** Restricting New Posts to SD Premium Members ONLY *** (09 May 2025)
Just made a new account? Can't post? Click above.
Help us help you. By posting the year, make, model and engine near the beginning of your help request, followed by the symptoms (no start, high idle, misfire etc.) Along with any prevalent Diagnostic Trouble Codes, aka DTCs, other forum members will be able to help you get to a solution more quickly and easily!
1997 Jeep TJ 2.5 Build Date 7/97 - Crank/No Start
- KikoJones
-
Topic Author
- Offline
- New Member
-
Less
More
- Posts: 5
- Thank you received: 0
1 year 1 month ago #67003
by KikoJones
1997 Jeep TJ 2.5 Build Date 7/97 - Crank/No Start was created by KikoJones
1997 Jeep TJ 2.5 - Crank/No Start
Before I begin, a little background on me. I was a Navy Avionics Technician and have worked on Aerospace Electrical, Electronic and Mechanical equipment. I've did an LS Swap on my GMC C1500 all by myself, of course with Youtube and research. I'm missing some detail but can't see it. Might be too close to the issue. Help me, Obi-Wan Kenobi. You're my only hope.
It was running before I replaced the Intake/Exhaust Manifold Gasket.
I unplugged all the sensors on the intake Manifold, Coolant Temp, CNK Sensor and Upstream O2 sensor, moved the harness over to facilitate the repair.
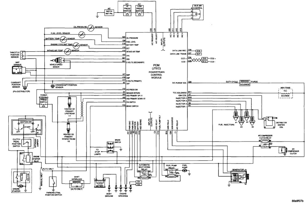
After buttoning everything up, I tried to start the engine but it would Crank but not Start/Run. I have Fuel pressure but no spark. Not getting Power to Coil from Automatic Shut Down Relay.
Verified Relay Good using multimeter and power.
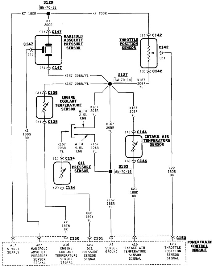
I'm thinking that the Computer is not seeing change of the CKP or CAM sensor because of the 5v on the Sensor Ground (A4)
The following codes are present:
1. P1492 JEEP - Ambient/battery Temp Sens volts too high
2. P0123 - Throttle/pedal position sensor/switch A circuit high (live data shows 100%)
3. P0118 - Engine coolant temp sensor 1 circuit high (live data shows -49F)
4. P 0113 - Intake air temperature sensor 1 circuit high (live data shows -49F)
Removed the TPS and verified that Resistance changes when turned. Both the ECT & IAT show resistance (don't remember the value but definitely not shorted or open)
Parts replaced, Coil (it was cracked) and MAP (was reading low resistance) they were cheap from Rockauto so...
I did some troubleshooting and found 5v signal on the Sensor Ground (A4).
I disconnected ALL the sensors that share the Sensor Ground (A4) and there are A LOT. The 5v disappeared.
If I plug in ANY one of those sensors, the 5v reference on Sensor Ground (A4) reappears.
I have continuity from Pin 3 of the TPS to Sensor Ground (A4) and Pin 1 to 5 Volt Supply (A17).
Before I begin, a little background on me. I was a Navy Avionics Technician and have worked on Aerospace Electrical, Electronic and Mechanical equipment. I've did an LS Swap on my GMC C1500 all by myself, of course with Youtube and research. I'm missing some detail but can't see it. Might be too close to the issue. Help me, Obi-Wan Kenobi. You're my only hope.
It was running before I replaced the Intake/Exhaust Manifold Gasket.
I unplugged all the sensors on the intake Manifold, Coolant Temp, CNK Sensor and Upstream O2 sensor, moved the harness over to facilitate the repair.
After buttoning everything up, I tried to start the engine but it would Crank but not Start/Run. I have Fuel pressure but no spark. Not getting Power to Coil from Automatic Shut Down Relay.
Verified Relay Good using multimeter and power.
I'm thinking that the Computer is not seeing change of the CKP or CAM sensor because of the 5v on the Sensor Ground (A4)
The following codes are present:
1. P1492 JEEP - Ambient/battery Temp Sens volts too high
2. P0123 - Throttle/pedal position sensor/switch A circuit high (live data shows 100%)
3. P0118 - Engine coolant temp sensor 1 circuit high (live data shows -49F)
4. P 0113 - Intake air temperature sensor 1 circuit high (live data shows -49F)
Removed the TPS and verified that Resistance changes when turned. Both the ECT & IAT show resistance (don't remember the value but definitely not shorted or open)
Parts replaced, Coil (it was cracked) and MAP (was reading low resistance) they were cheap from Rockauto so...
I did some troubleshooting and found 5v signal on the Sensor Ground (A4).
I disconnected ALL the sensors that share the Sensor Ground (A4) and there are A LOT. The 5v disappeared.
If I plug in ANY one of those sensors, the 5v reference on Sensor Ground (A4) reappears.
I have continuity from Pin 3 of the TPS to Sensor Ground (A4) and Pin 1 to 5 Volt Supply (A17).
Please Log in or Create an account to join the conversation.
- KikoJones
-
Topic Author
- Offline
- New Member
-
Less
More
- Posts: 5
- Thank you received: 0
1 year 1 month ago #67036
by KikoJones
Replied by KikoJones on topic 1997 Jeep TJ 2.5 Build Date 7/97 - Crank/No Start
Please Log in or Create an account to join the conversation.
- ferris48
-
- Offline
- Premium Member
-
Less
More
- Posts: 129
- Thank you received: 47
1 year 1 month ago - 1 year 1 month ago #67037
by ferris48
Replied by ferris48 on topic 1997 Jeep TJ 2.5 Build Date 7/97 - Crank/No Start
Your computer can't provide a ground path for those sensors or A4 has pin fitment issues. Try grounding out A4 at battery negative and see if it'll start.
Additionally, do voltage drop test on grounds at A31 and A32 while A4 has 5 volts on it to rule out bad computer ground.
Additionally, do voltage drop test on grounds at A31 and A32 while A4 has 5 volts on it to rule out bad computer ground.
Last edit: 1 year 1 month ago by ferris48. Reason: additional check added to post
Please Log in or Create an account to join the conversation.
- KikoJones
-
Topic Author
- Offline
- New Member
-
Less
More
- Posts: 5
- Thank you received: 0
1 year 1 month ago #67060
by KikoJones
Grounded A4 to BATT (-) and no change.
Voltage Drop Test from A31 to GND = 0
Voltage Drop Test from A32 to GND = 0
Replied by KikoJones on topic 1997 Jeep TJ 2.5 Build Date 7/97 - Crank/No Start
Your computer can't provide a ground path for those sensors or A4 has pin fitment issues. Try grounding out A4 at battery negative and see if it'll start.
Additionally, do voltage drop test on grounds at A31 and A32 while A4 has 5 volts on it to rule out bad computer ground.
Grounded A4 to BATT (-) and no change.
Voltage Drop Test from A31 to GND = 0
Voltage Drop Test from A32 to GND = 0
Please Log in or Create an account to join the conversation.
- ferris48
-
- Offline
- Premium Member
-
Less
More
- Posts: 129
- Thank you received: 47
1 year 1 month ago #67064
by ferris48
Are you reading 5v back probed at the computer harness? If yes this is telling you the wire's intact up to that point. Possibilities are bad connector, bent pin, bad connection, or the circuit inside the computer is broken.
Ground out the sensor ground wire exactly where you're getting the 5v at. If 5v is still present on sensor ground after grounding out the sensor ground wire, then you're not making contact with the sensor ground wire or the wire you're using is bad.
Gotta love it when you take too long typing out a post and the session expired lol:
Replied by ferris48 on topic 1997 Jeep TJ 2.5 Build Date 7/97 - Crank/No Start
I disconnected ALL the sensors that share the Sensor Ground (A4) and there are A LOT. The 5v disappeared.
Are you reading 5v back probed at the computer harness? If yes this is telling you the wire's intact up to that point. Possibilities are bad connector, bent pin, bad connection, or the circuit inside the computer is broken.
Ground out the sensor ground wire exactly where you're getting the 5v at. If 5v is still present on sensor ground after grounding out the sensor ground wire, then you're not making contact with the sensor ground wire or the wire you're using is bad.
Gotta love it when you take too long typing out a post and the session expired lol:
Please Log in or Create an account to join the conversation.
- KikoJones
-
Topic Author
- Offline
- New Member
-
Less
More
- Posts: 5
- Thank you received: 0
1 year 1 month ago #67070
by KikoJones
Replied by KikoJones on topic 1997 Jeep TJ 2.5 Build Date 7/97 - Crank/No Start
Yes. I'm back probing the harness. It doesn't matter what sensor I probe, I'm getting 5v on the ground. If I ground the Sensor Ground I get ZERO, volts.ferris48 post=67064 userid=7681
I disconnected ALL the sensors that share the Sensor Ground (A4) and there are A LOT. The 5v disappeared.
Are you reading 5v back probed at the computer harness? If yes this is telling you the wire's intact up to that point. Possibilities are bad connector, bent pin, bad connection, or the circuit inside the computer is broken.
Ground out the sensor ground wire exactly where you're getting the 5v at. If 5v is still present on sensor ground after grounding out the sensor ground wire, then you're not making contact with the sensor ground wire or the wire you're using is bad.
Gotta love it when you take too long typing out a post and the session expired lol:
Please Log in or Create an account to join the conversation.
- ferris48
-
- Offline
- Premium Member
-
Less
More
- Posts: 129
- Thank you received: 47
1 year 1 month ago #67071
by ferris48
Replied by ferris48 on topic 1997 Jeep TJ 2.5 Build Date 7/97 - Crank/No Start
After you ground Sensor Ground and you get ZERO volts, what trouble codes do you get. If you're still getting any circuit high codes at any other sensor, look for a broken sensor ground wire going to the sensors that appear after code scan.
Please Log in or Create an account to join the conversation.
Time to create page: 0.278 seconds