*** Restricting New Posts to SD Premium Members ONLY *** (09 May 2025)
Just made a new account? Can't post? Click above.
Help us help you. By posting the year, make, model and engine near the beginning of your help request, followed by the symptoms (no start, high idle, misfire etc.) Along with any prevalent Diagnostic Trouble Codes, aka DTCs, other forum members will be able to help you get to a solution more quickly and easily!
1993 f150 no start
- oldwheels63
-
Topic Author
- Offline
- New Member
-
Less
More
- Posts: 3
- Thank you received: 0
1 year 1 month ago #66977
by oldwheels63
1993 f150 no start was created by oldwheels63
I have an 1993 f150 with perfect body and only 32k miles that I can not get to run. Truck acceleration was great but was having hesitation problems only at idle and during no load cruise. At first I thought it was probably the distributor or the ecm. First replaced the distributor and then got the ecm rebuilt (It had the bad capacitors). Which probably was the issue and not the distributor.
The now: Truck will not start. I have fuel pump prime, 52 psi fuel pump pressure while cranking, and injector pulsing. I have 4k coil spark and spark at the plugs. the check engine light goes off while cranking. I have verified top dead center on #1 cylinder and set the distributor accordingly. I don't know why but when I rotate the distributor with the key on, I can hear the fuel pump cycle. The engine cranks fine but just will not start or even fire.
I've been messing with this off and on for 2 months. I need the truck in October so I'm at wits end.
The now: Truck will not start. I have fuel pump prime, 52 psi fuel pump pressure while cranking, and injector pulsing. I have 4k coil spark and spark at the plugs. the check engine light goes off while cranking. I have verified top dead center on #1 cylinder and set the distributor accordingly. I don't know why but when I rotate the distributor with the key on, I can hear the fuel pump cycle. The engine cranks fine but just will not start or even fire.
I've been messing with this off and on for 2 months. I need the truck in October so I'm at wits end.
Please Log in or Create an account to join the conversation.
- Noah
-
- Offline
- Moderator
-
- Give code definitions with numbers!
Less
More
- Posts: 4927
- Thank you received: 1099
1 year 1 month ago #66988
by Noah
"Ground cannot be checked with a 10mm socket"
Replied by Noah on topic 1993 f150 no start
If the firing order is correct, and you indeed have spark and injector pulse, I think it would be reasonable to check fuel quality/contamination.
"Ground cannot be checked with a 10mm socket"
Please Log in or Create an account to join the conversation.
- oldwheels63
-
Topic Author
- Offline
- New Member
-
Less
More
- Posts: 3
- Thank you received: 0
1 year 1 month ago #66998
by oldwheels63
Replied by oldwheels63 on topic 1993 f150 no start
I give up. Maybe somebody can give me advise on where I could tow it. I would want someone very familiar with this vintage ignition system. Maybe something simple that I just am not seeing.
Please Log in or Create an account to join the conversation.
- Lupe
-
- Offline
- Premium Member
-
Less
More
- Posts: 129
- Thank you received: 22
1 year 1 month ago #67002
by Lupe
Replied by Lupe on topic 1993 f150 no start
if the fuel is good as Noah advised . hows the compression on all cyl. spark plugs are they wet of fuel , they good and wires , check intake gaskets and vacuum test or exhaust might be plugged . good luck
Please Log in or Create an account to join the conversation.
- oldwheels63
-
Topic Author
- Offline
- New Member
-
Less
More
- Posts: 3
- Thank you received: 0
1 year 1 month ago #67004
by oldwheels63
Replied by oldwheels63 on topic 1993 f150 no start
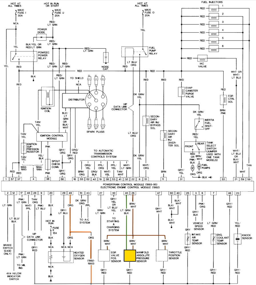
Does someone have a wiring diagram for the MAP sensor circuit. I get the 5 volts but not the 12 volt at the connector.
Please Log in or Create an account to join the conversation.
- KikoJones
-
- Offline
- New Member
-
Less
More
- Posts: 5
- Thank you received: 0
1 year 1 month ago - 1 year 1 month ago #67005
by KikoJones
Replied by KikoJones on topic 1993 f150 no start
Last edit: 1 year 1 month ago by KikoJones.
Please Log in or Create an account to join the conversation.
Time to create page: 0.292 seconds