Help us help you. By posting the year, make, model and engine near the beginning of your help request, followed by the symptoms (no start, high idle, misfire etc.) Along with any prevalent Diagnostic Trouble Codes, aka DTCs, other forum members will be able to help you get to a solution more quickly and easily!

Dodge TIPM FIXED!! New compressor did the trick. Thank You all for the help!!

  • Dave101
  • Dave101's Avatar Topic Author
  • Offline
  • Premium Member
  • Premium Member
  • Show me what it's not!!
More
8 years 9 months ago - 8 years 9 months ago #11331 by Dave101
Have a 2012 Dodge with a 2.4 come into my shop. The compressor had frozen. Also a leak on the condenser. Replaced the condenser, and compressor and recharged the system with no leaks. Turned on the A/C but clutch will not engage. Checked power at compressor. No power. Can't find the A/C relay because it is on the TIPM board. My question is are there any other checks that I can do to the TIPM?. Thought about trying to jump the relay, but thought against it because I didn't want to take the chance. Don't really want to tell the customer that he has to purchase a new TIPM and be wrong. Any other suggestions?
Last edit: 8 years 9 months ago by Dave101.

Please Log in or Create an account to join the conversation.

  • cheryl hartkorn
  • cheryl hartkorn's Avatar
  • Offline
  • Platinum Member
  • Platinum Member
More
8 years 9 months ago #11332 by cheryl hartkorn
Replied by cheryl hartkorn on topic Dodge TIPM
do you have bi directional controlson a scanner? maybe wire an externalrelay??

Please Log in or Create an account to join the conversation.

  • cheryl hartkorn
  • cheryl hartkorn's Avatar
  • Offline
  • Platinum Member
  • Platinum Member
More
8 years 9 months ago #11333 by cheryl hartkorn
Replied by cheryl hartkorn on topic Dodge TIPM
also whatmodel is this dodge??
The following user(s) said Thank You: Dave101

Please Log in or Create an account to join the conversation.

  • Dave101
  • Dave101's Avatar Topic Author
  • Offline
  • Premium Member
  • Premium Member
  • Show me what it's not!!
More
8 years 9 months ago #11334 by Dave101
Replied by Dave101 on topic Dodge TIPM
It is a Dodge Caliper. I have a Verus Pro and cant make the clutch fire on a functional test. I am pretty sure it is in the TIPM but I don't have a wiring diagram so I can't do a relay bypass.

Please Log in or Create an account to join the conversation.

More
8 years 9 months ago #11335 by Ben
Replied by Ben on topic Re:Dodge TIPM
I've also done the external relay, check bbbindustries for a diagram if not on there someone here can post 1 for you

Sent from my SM-N920P using Tapatalk

Please Log in or Create an account to join the conversation.

  • Dave101
  • Dave101's Avatar Topic Author
  • Offline
  • Premium Member
  • Premium Member
  • Show me what it's not!!
More
8 years 9 months ago #11336 by Dave101
Replied by Dave101 on topic Re:Dodge TIPM
Thanks for the info, but the wiring diagram for this car is not there. Does anyone here have a wiring diagram or a tip on where to find one other than Mitchell? Any help would be greatly appreciated.

Please Log in or Create an account to join the conversation.

  • Chad
  • Chad's Avatar
  • Offline
  • Moderator
  • Moderator
  • I am not a parts changer.
More
8 years 9 months ago - 8 years 9 months ago #11342 by Chad
Replied by Chad on topic Re:Dodge TIPM
Do you not like Mitchell? When it comes to wiring schematics, I prefer Mitchell.

Are you sure of the year? In a 2012 Caliber, I can only find 2.0L. I find 2.4L in 2011.

"Knowledge is a weapon. Arm yourself, well, before going to do battle."
"Understanding a question is half an answer."

I have learned more by being wrong, than I have by being right. :-)
Last edit: 8 years 9 months ago by Chad.

Please Log in or Create an account to join the conversation.

  • Dave101
  • Dave101's Avatar Topic Author
  • Offline
  • Premium Member
  • Premium Member
  • Show me what it's not!!
More
8 years 9 months ago #11343 by Dave101
Replied by Dave101 on topic Re:Dodge TIPM
Thank You for your response. I love Mitchell but I don't have access to it yet. I am sure of the year but you may be right. It may be a 2.0. The car is at the shop and I am relying on my memory..(not a good thing) lol

Please Log in or Create an account to join the conversation.

  • Chad
  • Chad's Avatar
  • Offline
  • Moderator
  • Moderator
  • I am not a parts changer.
More
8 years 9 months ago #11344 by Chad
Replied by Chad on topic Re:Dodge TIPM
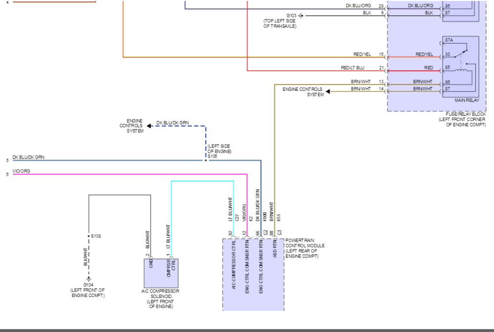
Here you go.

"Knowledge is a weapon. Arm yourself, well, before going to do battle."
"Understanding a question is half an answer."

I have learned more by being wrong, than I have by being right. :-)
Attachments:
The following user(s) said Thank You: Tyler, Dave101

Please Log in or Create an account to join the conversation.

  • Dave101
  • Dave101's Avatar Topic Author
  • Offline
  • Premium Member
  • Premium Member
  • Show me what it's not!!
More
8 years 9 months ago #11346 by Dave101
Replied by Dave101 on topic Re:Dodge TIPM

pole71 wrote: Do you not like Mitchell? When it comes to wiring schematics, I prefer Mitchell.

Are you sure of the year? In a 2012 Caliber, I can only find 2.0L. I find 2.4L in 2011.


I was able to verify that the engine is a 2.0L. My apologies.......It helps to know what your working on.......

Please Log in or Create an account to join the conversation.

  • Tyler
  • Tyler's Avatar
  • Offline
  • Moderator
  • Moderator
  • Full time HACK since 2012
More
8 years 9 months ago #11367 by Tyler
Replied by Tyler on topic Re:Dodge TIPM
Are you sure that this Caliber has a compressor clutch? Because every Caliber/Compass/Patriot/whatever I've seen had no clutch, just a variable solenoid. Please let me know if I'm wrong. :lol:

If it's not cooling at the vents, then I'd start with a current measurement at that solenoid. Generally, I find those draw about 1A when the solenoid is commanded wide open.

Please Log in or Create an account to join the conversation.

  • Dave101
  • Dave101's Avatar Topic Author
  • Offline
  • Premium Member
  • Premium Member
  • Show me what it's not!!
More
8 years 9 months ago #11385 by Dave101
Replied by Dave101 on topic Re:Dodge TIPM

Tyler wrote: Are you sure that this Caliber has a compressor clutch? Because every Caliber/Compass/Patriot/whatever I've seen had no clutch, just a variable solenoid. Please let me know if I'm wrong. :lol:

If it's not cooling at the vents, then I'd start with a current measurement at that solenoid. Generally, I find those draw about 1A when the solenoid is commanded wide open.



This is what locked up. It also has a two wire connection. I can't get any power to the new one in the car. I also tried a functional test with my scanner to no results. Any direction you can provide would be greatly appreciated.
Attachments:

Please Log in or Create an account to join the conversation.

  • Dave101
  • Dave101's Avatar Topic Author
  • Offline
  • Premium Member
  • Premium Member
  • Show me what it's not!!
More
8 years 9 months ago #11386 by Dave101
Replied by Dave101 on topic Re:Dodge TIPM
Update.. I hooked my scanner to this vehicle and could not perform any functional test. I hooked my scanner in doom mode and checked at compressor and was getting negative.12 vdc. Reversed leads and now getting 12vdc. Have no other choice than to assume I received a bad compressor. What I am stumped on is why was I getting -vdc? By the diagram, I had my leads connected correctly.

Please Log in or Create an account to join the conversation.

  • Dave101
  • Dave101's Avatar Topic Author
  • Offline
  • Premium Member
  • Premium Member
  • Show me what it's not!!
More
8 years 9 months ago #11387 by Dave101
Replied by Dave101 on topic Re:Dodge TIPM
Found my mistake about the negative voltage. The new compressor came with new plugs, one red and one black. When you plug in the connector, the red wire is the ground. I feel better that I got a bad compressor.

Please Log in or Create an account to join the conversation.

Time to create page: 0.446 seconds