*** Restricting New Posts to SD Premium Members ONLY *** (09 May 2025)
Just made a new account? Can't post? Click above.
Help us help you. By posting the year, make, model and engine near the beginning of your help request, followed by the symptoms (no start, high idle, misfire etc.) Along with any prevalent Diagnostic Trouble Codes, aka DTCs, other forum members will be able to help you get to a solution more quickly and easily!
EGR issues on 2004 Hyundai Santa Fe 3.5
- mosquito hawk
-
Topic Author
- Offline
- New Member
-
Less
More
- Posts: 3
- Thank you received: 0
1 year 6 months ago #65769
by mosquito hawk
EGR issues on 2004 Hyundai Santa Fe 3.5 was created by mosquito hawk
TLDR: Should I have 12V at the EGR solenoid at various different RPM's (in Park)?
I have a a friends 2004 Hyundai Santa Fe 3.5 that originally had an EGR stuck open code and ran bad. We replaced the EGR (which was indeed stuck open) and the car runs good now but we're getting a P401 Low EGR Flow code.
With the car running I can apply vacuum to the EGR and get the car to stumble (while also visually seeing the EGR work), which shows to me the EGR is working.
Also with the car running I can apply 12V to the the EGR solenoid (with the connector unplugged) and the car stumbles and dies, showing me that the solenoid is working.
I DON'T get 12V at the solenoid connector under any conditions. I'm measuring between the two connector pins. I've tried multiple RPM scenarios and constantly have no voltage.
So that leads to my question. Should I be getting voltage there by just playing with RPM in park? I'm prepared to leap to either a wiring issue or a PCM issue, but I'm worried that I'm not putting the car into an "open EGR" scenario.
Can anyone shed some light on that for me?
P.S. I'm unable to get my scan tool to connect other than generic OBD2 so I don't think I have command of the EGR through my tool (let me know if I'm wrong).
Thanks!
I have a a friends 2004 Hyundai Santa Fe 3.5 that originally had an EGR stuck open code and ran bad. We replaced the EGR (which was indeed stuck open) and the car runs good now but we're getting a P401 Low EGR Flow code.
With the car running I can apply vacuum to the EGR and get the car to stumble (while also visually seeing the EGR work), which shows to me the EGR is working.
Also with the car running I can apply 12V to the the EGR solenoid (with the connector unplugged) and the car stumbles and dies, showing me that the solenoid is working.
I DON'T get 12V at the solenoid connector under any conditions. I'm measuring between the two connector pins. I've tried multiple RPM scenarios and constantly have no voltage.
So that leads to my question. Should I be getting voltage there by just playing with RPM in park? I'm prepared to leap to either a wiring issue or a PCM issue, but I'm worried that I'm not putting the car into an "open EGR" scenario.
Can anyone shed some light on that for me?
P.S. I'm unable to get my scan tool to connect other than generic OBD2 so I don't think I have command of the EGR through my tool (let me know if I'm wrong).
Thanks!
Please Log in or Create an account to join the conversation.
- Chad
-
- Offline
- Moderator
-
- I am not a parts changer.
Less
More
- Posts: 2126
- Thank you received: 712
1 year 6 months ago - 1 year 6 months ago #65779
by Chad
"Knowledge is a weapon. Arm yourself, well, before going to do battle."
"Understanding a question is half an answer."
I have learned more by being wrong, than I have by being right.
Replied by Chad on topic EGR issues on 2004 Hyundai Santa Fe 3.5
I would check the EGR passage on the intake manifold side of the EGR valve. If it is restricted with carbon, it can set an Insufficient/Low Flow code.
"Knowledge is a weapon. Arm yourself, well, before going to do battle."
"Understanding a question is half an answer."
I have learned more by being wrong, than I have by being right.
Last edit: 1 year 6 months ago by Chad.
Please Log in or Create an account to join the conversation.
- mosquito hawk
-
Topic Author
- Offline
- New Member
-
Less
More
- Posts: 3
- Thank you received: 0
1 year 6 months ago #65791
by mosquito hawk
Replied by mosquito hawk on topic EGR issues on 2004 Hyundai Santa Fe 3.5
I'm convinced the EGR flow is OK since I can easily get the car to stumble or die when I manually open the EGR with a vacuum pump or command the solenoid closed, which opens the EGR. I
I found a wiring diagram for the 2.4L and it shows what I'm pretty sure is constant power to the solenoid and a ground side switch at the PCM.
At this point I think I just need to measure for 12V at the solenoid instead of across the solenoid then I can go from there, but I'm still interested in my original question, which is should the EGR ever be commanded open while revving the engine in park?
Thanks
I found a wiring diagram for the 2.4L and it shows what I'm pretty sure is constant power to the solenoid and a ground side switch at the PCM.
At this point I think I just need to measure for 12V at the solenoid instead of across the solenoid then I can go from there, but I'm still interested in my original question, which is should the EGR ever be commanded open while revving the engine in park?
Thanks
Please Log in or Create an account to join the conversation.
- Chad
-
- Offline
- Moderator
-
- I am not a parts changer.
Less
More
- Posts: 2126
- Thank you received: 712
1 year 6 months ago #65793
by Chad
To my knowledge, no. But, that is not to say that I am familiar with Hyundai's EGR strategy, specifically.
"Knowledge is a weapon. Arm yourself, well, before going to do battle."
"Understanding a question is half an answer."
I have learned more by being wrong, than I have by being right.
Replied by Chad on topic EGR issues on 2004 Hyundai Santa Fe 3.5
I'm still interested in my original question, which is should the EGR ever be commanded open while revving the engine in park?
To my knowledge, no. But, that is not to say that I am familiar with Hyundai's EGR strategy, specifically.
"Knowledge is a weapon. Arm yourself, well, before going to do battle."
"Understanding a question is half an answer."
I have learned more by being wrong, than I have by being right.
Please Log in or Create an account to join the conversation.
- Chad
-
- Offline
- Moderator
-
- I am not a parts changer.
Less
More
- Posts: 2126
- Thank you received: 712
1 year 6 months ago - 1 year 6 months ago #65794
by Chad
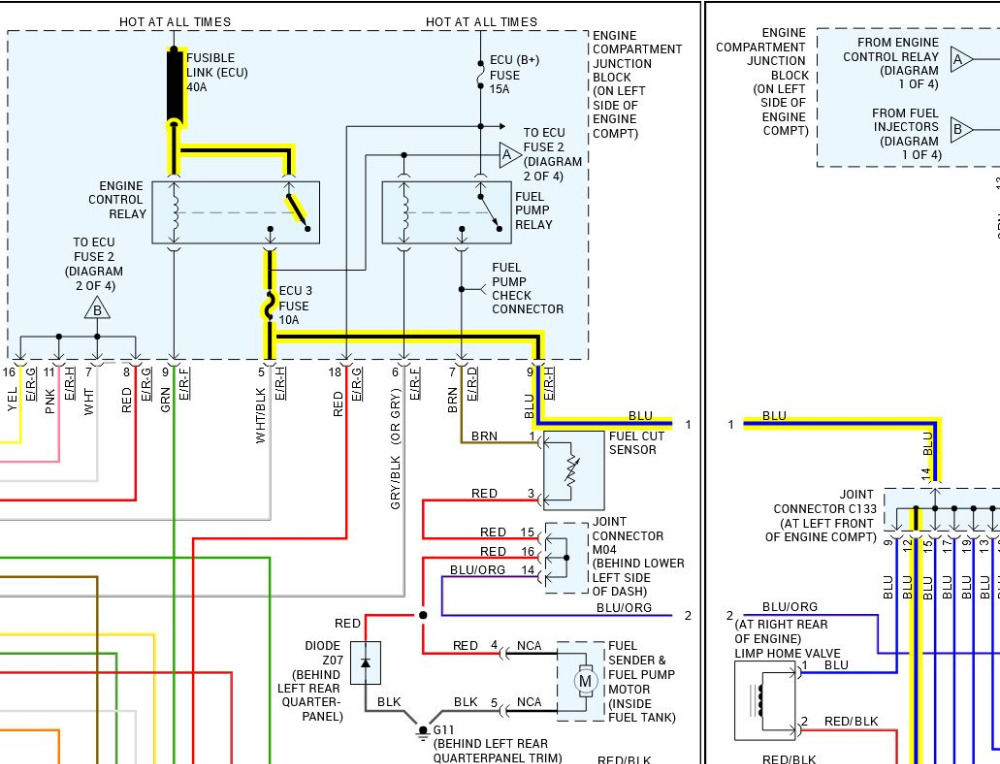
I just looked at the schematic and you should have power on the blue wire at the solenoid connector when the Engine Control Relay is energized. In the engine compartment fuse box, be sure that ECU Fuse 3 (10 amp) has power with the with the Key on/Engine running.
Put the negative lead of your volt meter on the negative battery post. Then check the voltage on each of the connector wires, individually. The power wire (blue) should show battery voltage. The ground wire (blu/org) will show battery voltage, (with the solenoid connected) when the solenoid is "OFF"/ NOT energized and should be very close to zero, when the PCM commands the solenoid "ON".
"Knowledge is a weapon. Arm yourself, well, before going to do battle."
"Understanding a question is half an answer."
I have learned more by being wrong, than I have by being right.
Replied by Chad on topic EGR issues on 2004 Hyundai Santa Fe 3.5
I DON'T get 12V at the solenoid connector under any conditions.
I just looked at the schematic and you should have power on the blue wire at the solenoid connector when the Engine Control Relay is energized. In the engine compartment fuse box, be sure that ECU Fuse 3 (10 amp) has power with the with the Key on/Engine running.
I'm measuring between the two connector pins.
Put the negative lead of your volt meter on the negative battery post. Then check the voltage on each of the connector wires, individually. The power wire (blue) should show battery voltage. The ground wire (blu/org) will show battery voltage, (with the solenoid connected) when the solenoid is "OFF"/ NOT energized and should be very close to zero, when the PCM commands the solenoid "ON".
"Knowledge is a weapon. Arm yourself, well, before going to do battle."
"Understanding a question is half an answer."
I have learned more by being wrong, than I have by being right.
Last edit: 1 year 6 months ago by Chad.
Please Log in or Create an account to join the conversation.
- mosquito hawk
-
Topic Author
- Offline
- New Member
-
Less
More
- Posts: 3
- Thank you received: 0
1 year 6 months ago #65810
by mosquito hawk
Replied by mosquito hawk on topic EGR issues on 2004 Hyundai Santa Fe 3.5
Thanks, yeah that's exactly what I planned to do next time I have access to the car.
Please Log in or Create an account to join the conversation.
Time to create page: 0.337 seconds