*** Restricting New Posts to SD Premium Members ONLY *** (09 May 2025)

Just made a new account? Can't post? Click above.

Help us help you. By posting the year, make, model and engine near the beginning of your help request, followed by the symptoms (no start, high idle, misfire etc.) Along with any prevalent Diagnostic Trouble Codes, aka DTCs, other forum members will be able to help you get to a solution more quickly and easily!

Glow plug module NO output voltage power

  • babajis2010
  • babajis2010's Avatar Topic Author
  • Offline
  • Premium Member
  • Premium Member
More
1 year 6 months ago - 1 year 6 months ago #65239 by babajis2010
Glow plug module NO output voltage power was created by babajis2010
Hello guys I need some directions as to fixing my glow plug problem. It’s a 2007 European sprinter 4 injector nozzles OM646 engine history of this problemI wanted to replace all 4 glow plugs as I had code for two. I was only able to replace 2,3,4, as glow plug 1 would not come out.I believe this is where the genesis of my starting problem started from (went from no start to long crank time) the current problem is I do not have power coming out from the 4 pins of the glow plug module, I do not have power also at the connectors of the glow plug themselves, and I’m not getting any DTC for the module nor for the 3 newly changed glow plugsI have constant 12v power at the red wire connected to the module. The other connector on the module are brown and blue wires. The blue wire with engine off ignition on is jumping around 10v,8v,9v,7vWith ignition on the glow plug light on dashboard cones on and goes off immediately. Before now it would stay on for about 30secs-2mins or so before going off when engine was fully warmed.An electrician said the module was bad and to prove that he used a regular relay to bypass the module and the test light LIT at the glow plug connectors.I have bought a brand new glow plug module and a used one. Installed the brand new module and same problem of no voltage coming out of the 4pins  how do I fix this problem sirs I have constant 12v from the battery to the GPCMI have a good ground on the brown wire The blue wire is where the confusion is With key on engine off the test light is not lighting, but voltage jumps from 10v -7v back and forth using a digital voltmeter Looks like this blue wire is glow plug module CONTROL WIRE, and I think it goes into the SAM module close to the main fuse box under the steering.Hope I can get some help with all the information supplied so far  The 3 pin connector has only two wires (brown and blue wires), the 3rd pin is empty  is the blue wire ignition power wire or a LIN BUS wire why do they design the glow plug module to have three pins and there are only two wires going to the 3 pins the used GPCM I bought also has three pins inside the module and the connector it came with has just two wires (brown and blue)My sprinter is a bad boy with too many electrical issues, otherwise it’s a rugged vehicle
Attachments:
Last edit: 1 year 6 months ago by babajis2010.

Please Log in or Create an account to join the conversation.

More
1 year 6 months ago #65257 by Bryan Pollock
Replied by Bryan Pollock on topic Glow plug module NO output voltage power
I may be able to help if i can correctly identify the vehicle. Can you post the vin umber?

Please Log in or Create an account to join the conversation.

  • babajis2010
  • babajis2010's Avatar Topic Author
  • Offline
  • Premium Member
  • Premium Member
More
1 year 6 months ago #65265 by babajis2010
Replied by babajis2010 on topic Glow plug module NO output voltage power
Thanks Bryan your help would be really appreciated 

WDB9061351N307239

Nordic region sprinter 2.2L engine 

 

Please Log in or Create an account to join the conversation.

  • babajis2010
  • babajis2010's Avatar Topic Author
  • Offline
  • Premium Member
  • Premium Member
More
1 year 6 months ago - 1 year 6 months ago #65267 by babajis2010
Replied by babajis2010 on topic Glow plug module NO output voltage power
Also 

is there a chance some of the electrical troubles I’m having on this truck can be traced to the SAM module . That bulky device at the fuse box

the diagram attached is the wiring diagram of ABS and it looks like the brake or stop lamp switch is controlled to open and close by a wire from the BCM or SAM. My brake light on the dashboard doesn’t go off and this is causing ABS not to function and also probably the cause of the accelerator pedal DTC
Kindly look at this wiring diagram and help me tie all of these together (Brake light on the dashboard and glow plug control module no voltage)

im bringing up this SAM module at the fuse box because when my inner light failed, I did the unplug and plug connector at the SAM and it started working fine ever since 

the wiring diagrams were randomly lifted online from a dodge sprinter though, but I guess they all mostly share some wiring commonalities 

I will be more than happy if the help I will get from you will fix both the glow plug module problem, the brake light staying on on the dashboard and the APPS DTC 
Last edit: 1 year 6 months ago by babajis2010.

Please Log in or Create an account to join the conversation.

  • babajis2010
  • babajis2010's Avatar Topic Author
  • Offline
  • Premium Member
  • Premium Member
More
1 year 6 months ago #65289 by babajis2010
Replied by babajis2010 on topic Glow plug module NO output voltage power
Kindly help out on this guys 

 

Please Log in or Create an account to join the conversation.

  • Noah
  • Noah's Avatar
  • Offline
  • Moderator
  • Moderator
  • Give code definitions with numbers!
More
1 year 6 months ago #65292 by Noah
Replied by Noah on topic Glow plug module NO output voltage power
Let me start by saying I avoid Euro cars like the plague and that goes double for diesel. But I think you are connecting dots that don't fall in a row and that is going to make it hard for even Super Star Bryan Pollock (all love!) to help.
You started asking about a glow plug problem and brought in a brake lamp issue, an abs issue and an accelerator pedal position issue.
One of the hardest disciplines of diagnostics is learning to pick a path and walk it to the end. Keep focused on the glowplug module, and if some how the abs issue is related, it will be resolved at the end of the path.
Hope to see you get this one nailed down soon!

"Ground cannot be checked with a 10mm socket"

Please Log in or Create an account to join the conversation.

  • babajis2010
  • babajis2010's Avatar Topic Author
  • Offline
  • Premium Member
  • Premium Member
More
1 year 6 months ago #65306 by babajis2010
Replied by babajis2010 on topic Glow plug module NO output voltage power
Thanks Noah
i will focus on the glow plug module and see if fixing that will address other issues.
 

Please Log in or Create an account to join the conversation.

  • babajis2010
  • babajis2010's Avatar Topic Author
  • Offline
  • Premium Member
  • Premium Member
More
1 year 6 months ago #65319 by babajis2010
Replied by babajis2010 on topic Glow plug module NO output voltage power
The dodge sprinter wiring diagram for the Glow Plug Module shows 
1. A ground wire 
2. A Lin bus wire coming from a generator and ECM
3. A black and dark green wire coming from the crankcase vent heater control fused asd relay output 
I cannot see that thick red wire HOT at all time 12v

my Glow Plug Module has 
thick red wire HOT at all time 12v
blue LIN bus wire 
brown ground wire 

@Bryan kindly help with the wiring diagram for my vehicle model

i really want to solve this glow plug module fault as fast as possible 

thanks everyone 
Attachments:

Please Log in or Create an account to join the conversation.

More
1 year 6 months ago #65322 by A.Bernier
Replied by A.Bernier on topic Glow plug module NO output voltage power
I cant decode that vin. Looking at Dodge Sprinter , 2007 doesn't have a 2.2? Maybe its a Euro thing.
The following user(s) said Thank You: Noah

Please Log in or Create an account to join the conversation.

  • babajis2010
  • babajis2010's Avatar Topic Author
  • Offline
  • Premium Member
  • Premium Member
More
1 year 6 months ago #65412 by babajis2010
Replied by babajis2010 on topic Glow plug module NO output voltage power
Hello guys

My Glow plug module seem to be missing ignition power. No idea where the ignition wire fits into the module. There are 3 pins but only two are used 

anyone familiar with this GPM

I’m thinking of buying a different module that has a place for the ignition power and then connect a wire to any 20amps fuse with ignition power, then the vehicle LIN bus and ground wires 

will this work 

Please Log in or Create an account to join the conversation.

  • babajis2010
  • babajis2010's Avatar Topic Author
  • Offline
  • Premium Member
  • Premium Member
More
1 year 6 months ago #65485 by babajis2010
Replied by babajis2010 on topic Glow plug module NO output voltage power
Help is still needed guys 

Glow plug Module not giving any output voltages 

how do I solve this 

Please Log in or Create an account to join the conversation.

  • Noah
  • Noah's Avatar
  • Offline
  • Moderator
  • Moderator
  • Give code definitions with numbers!
More
1 year 6 months ago #65486 by Noah
Replied by Noah on topic Glow plug module NO output voltage power
I really wish I could help you. My service information will not decode that vin. The sprinters in America don't have that engine in 2007 and the glow plug module diagram is different.
If you can post the appropriate glow plug module diagram (the bottom 2 wires are cut off the screen shot in your first post) or connector pin out, someone may be able to determine what is missing , but I have no resources for that information.

"Ground cannot be checked with a 10mm socket"

Please Log in or Create an account to join the conversation.

  • babajis2010
  • babajis2010's Avatar Topic Author
  • Offline
  • Premium Member
  • Premium Member
More
1 year 6 months ago #65516 by babajis2010
Replied by babajis2010 on topic Glow plug module NO output voltage power
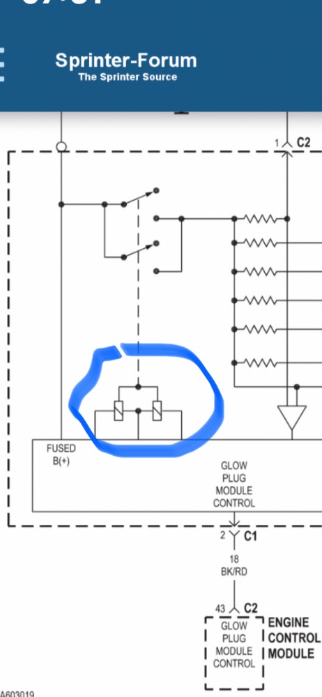
It’s true only European version has the 2.2 liter engine The two-stage sequential/serial or Twin-scroll turbo diesel 2.2 liter inline-four. turbocharging (110kW) 150BHP, 3500kg 906.135 CDI4 Euro4  Control Unit EZS906 (4,325mm wheelbase) MC3 OM646 DE 22 LA 315 CDI FHS panel van is another first in the van segment. The two turbochargers are mounted in series and develop high power and torque in all rpm ranges. 332 pound-feet of torque”.

I’ve attached two pics that best describe the glow plug module in my sprinter 

what part is mainly responsible in switching on and off that resistive multiplex switch. Is it the fused B (+) 12v thick red wire or the energizing coil circled in the second pic  

Im experiencing a horrible long cranktime to start this vehicle and I’m suspecting this problem is coming from the glow plugs/glow plugs module 

I started having this starting problem after changing 3 out of 4 of my glow plugs 
I had denzo glow plugs in the vehicle before and then bought a Beru Ireland glow plugs 

Any ideas on how to solve this lingering problem. Many people I know with these sprinters are always having starting problems or limp mode problems 
 
Attachments:

Please Log in or Create an account to join the conversation.

  • babajis2010
  • babajis2010's Avatar Topic Author
  • Offline
  • Premium Member
  • Premium Member
More
1 year 5 months ago #65545 by babajis2010
Replied by babajis2010 on topic Glow plug module NO output voltage power
Please how do I use a digital multimeter to check the control wire from the ECU to the glow plug module 

 

Please Log in or Create an account to join the conversation.

  • babajis2010
  • babajis2010's Avatar Topic Author
  • Offline
  • Premium Member
  • Premium Member
More
1 year 5 months ago #65564 by babajis2010
Replied by babajis2010 on topic Glow plug module NO output voltage power
Anyone with sprinter experience to help me out?

I have narrowed down the glow plug module problem to the control blue wire coming from the ECU (it is not turning on the module). I have walked my way backward directly to the connector of the ECU where this wire directly comes from and I’m getting voltage bouncing between 10v to 1.7v or so using a digital multimeter. I don’t have a scope to graph out this wire. 

The glow plug module somehow clicked today and it turned on the light on the dashboard for like 30 seconds or more and then went off. This made the vehicle to start at once and also for the first time in history my battery voltage read 14.12v. The battery voltage before now was reading 13.6v

I have read that the glow plug module when not working properly can affect battery voltage.

Some hours later I am back to ground zero again where the glow plug module is not clicking and my battery voltage has retuned back to its 13,6v

I do have a DTC 7201 that says one or more signals from the ECU via the CAN BUS is implausible. Any idea what I’m dealing with here? I have changed the two CAN BUS connectors. 

I know how stupid engineering can be sometimes especially when it comes to easy troubleshooting as most times the repair process flow in a manufacturer’s diagnostic software may lead you astray as they will never mention other components that may be causing the issue. 

Community people, you guys are the only ones I’m relying on now as to which direction to go in fixing this glow plug problem.

is it possible that a failing component not related to the glow plug module or shorted wire is causing my glow plug module not to be activated? 

Please Log in or Create an account to join the conversation.

Time to create page: 0.423 seconds