*** Restricting New Posts to SD Premium Members ONLY *** (09 May 2025)
Just made a new account? Can't post? Click above.
Help us help you. By posting the year, make, model and engine near the beginning of your help request, followed by the symptoms (no start, high idle, misfire etc.) Along with any prevalent Diagnostic Trouble Codes, aka DTCs, other forum members will be able to help you get to a solution more quickly and easily!
Cruise control 2007 Lexus IS250
- DDR223
-
Topic Author
- Offline
- New Member
-
Less
More
- Posts: 3
- Thank you received: 0
1 year 7 months ago - 1 year 7 months ago #64745
by DDR223
Cruise control 2007 Lexus IS250 was created by DDR223
Helping a friend diagnose his cruise not working ( no illumination and cannot set speed, zero fault codes) car did receive a donor engine as previous owner over heated and blew head gasket / warped the head. ( I use an aultel mk906 will it reinitialize the SRS system and such if I start taking apart the steering wheel and removing airbag?)
I haven’t dug into it yet but I’m assuming it’s the combination switch that comes off the steering column.
my question is how to diagnose the switch other than just doing pin outs with the resistance flow chart.
from what I can see it’s a series of resistors that pull down to ground and the signal wire also is looped into other circuits ( assuming 5 or 12v pull down).
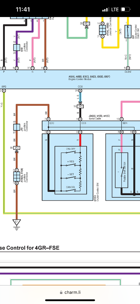
I not sure using a test light to pull signal wire to ground will simulate a desired effect because I would assume the pcm is measuring current or voltage drop to make the decision for whatever selection. I’ve included the wiring diagram , any help would be greatly appreciated!
my first idea is to hook up my aultel and do a live test but also ensure the PID readout is reflecting on/off but maybe illuminating circuit is faulted.
If I confirm no on/off I was planning on removing steering wheel and back probing the pin 1 ( supply to switch) and shorting to ground with test light as it would appear that is what the switch will do anyway.
would following ohm flow chart really not help with diagnoses? I’m just confused why a manufacturer would release information that wouldn’t help diagnose - I have the same information that dealers have access too so I’m just a little confused how these sensitive circuits wouldn’t show fault in wiring or switch by following factory ohm out - I mean that’s how I test glow plugs
also- how does this circuit work with a constant switch sourcing to ground and other switches that pull through a resistor - I’m assuming it’s watching voltage drop on supply and current for when another resistor / ground path gets switched because all pathways will be taken. If I’m remembering correctly voltage would drop and so would current if more resistors are activated correct? Or would the voltage drop just be across the resistor and supply voltage is the same thereby the pcm is tracking the current flow
I haven’t dug into it yet but I’m assuming it’s the combination switch that comes off the steering column.
my question is how to diagnose the switch other than just doing pin outs with the resistance flow chart.
from what I can see it’s a series of resistors that pull down to ground and the signal wire also is looped into other circuits ( assuming 5 or 12v pull down).
I not sure using a test light to pull signal wire to ground will simulate a desired effect because I would assume the pcm is measuring current or voltage drop to make the decision for whatever selection. I’ve included the wiring diagram , any help would be greatly appreciated!
my first idea is to hook up my aultel and do a live test but also ensure the PID readout is reflecting on/off but maybe illuminating circuit is faulted.
If I confirm no on/off I was planning on removing steering wheel and back probing the pin 1 ( supply to switch) and shorting to ground with test light as it would appear that is what the switch will do anyway.
would following ohm flow chart really not help with diagnoses? I’m just confused why a manufacturer would release information that wouldn’t help diagnose - I have the same information that dealers have access too so I’m just a little confused how these sensitive circuits wouldn’t show fault in wiring or switch by following factory ohm out - I mean that’s how I test glow plugs
also- how does this circuit work with a constant switch sourcing to ground and other switches that pull through a resistor - I’m assuming it’s watching voltage drop on supply and current for when another resistor / ground path gets switched because all pathways will be taken. If I’m remembering correctly voltage would drop and so would current if more resistors are activated correct? Or would the voltage drop just be across the resistor and supply voltage is the same thereby the pcm is tracking the current flow
Last edit: 1 year 7 months ago by DDR223.
Please Log in or Create an account to join the conversation.
- Tyler
-
- Offline
- Moderator
-
- Full time HACK since 2012
Less
More
- Posts: 6043
- Thank you received: 1519
1 year 7 months ago #64764
by Tyler
Replied by Tyler on topic Cruise control 2007 Lexus IS250
Hey DDR223! From what I remember, Toyota/Lexus was not good about having scan data PIDs for the cruise control switch. Have a look with your Autel, but I don't think you're going to find any.
IMO your next easiest move will be to find pin 31B at the ECM or pin 1A at the clockspring, whichever is less work to access. Key on, backprobe the correct pin and take a voltage reading. Use every cruise switch function and watch for voltage changes.
You're right that this switch will pull the signal voltage down to varying degrees based on the position of the switch. In ON/OFF, the signal voltage will be pulled from 5V all the way to zero. When the ECM sees zero on that signal line, it interprets that as the driver pushing the ON/OFF switch. CANCEL won't pull the signal down much at all, because it's got three resistors between it and the signal circuit. The ECM could be measuring current? But I'd really doubt it. Pretty sure this is a simple voltage input.
IMO your next easiest move will be to find pin 31B at the ECM or pin 1A at the clockspring, whichever is less work to access. Key on, backprobe the correct pin and take a voltage reading. Use every cruise switch function and watch for voltage changes.
You're right that this switch will pull the signal voltage down to varying degrees based on the position of the switch. In ON/OFF, the signal voltage will be pulled from 5V all the way to zero. When the ECM sees zero on that signal line, it interprets that as the driver pushing the ON/OFF switch. CANCEL won't pull the signal down much at all, because it's got three resistors between it and the signal circuit. The ECM could be measuring current? But I'd really doubt it. Pretty sure this is a simple voltage input.
This is a excellent test, IMO. I've done the same when testing these cruise switches. You could take it one step further by shorting 1A to 2A and see if the Cruise light comes on. That'd not only confirm the signal circuit, but the ground as well.If I confirm no on/off I was planning on removing steering wheel and back probing the pin 1 ( supply to switch) and shorting to ground with test light as it would appear that is what the switch will do anyway.
Please Log in or Create an account to join the conversation.
- DDR223
-
Topic Author
- Offline
- New Member
-
Less
More
- Posts: 3
- Thank you received: 0
1 year 7 months ago #64765
by DDR223
Replied by DDR223 on topic Cruise control 2007 Lexus IS250
Will there be any issues reconnecting the system to power with the air bag disconnected and such?
Please Log in or Create an account to join the conversation.
- Tyler
-
- Offline
- Moderator
-
- Full time HACK since 2012
Less
More
- Posts: 6043
- Thank you received: 1519
1 year 7 months ago - 1 year 7 months ago #64766
by Tyler
Replied by Tyler on topic Cruise control 2007 Lexus IS250
You'll set some fault codes, which you can clear after you're done testing/repairing.
I wouldn't even disconnect anything yet. As long as you can get to the two cruise switch pins with backprobes, you can leave everything connected and test the circuit in its normal condition.
EDIT: Of course, just take care to identify the airbag circuits and leave them alone. If you're concerned, you can still do the testing with the airbag unplugged.
I wouldn't even disconnect anything yet. As long as you can get to the two cruise switch pins with backprobes, you can leave everything connected and test the circuit in its normal condition.
EDIT: Of course, just take care to identify the airbag circuits and leave them alone. If you're concerned, you can still do the testing with the airbag unplugged.
Last edit: 1 year 7 months ago by Tyler.
Please Log in or Create an account to join the conversation.
Time to create page: 0.274 seconds