*** Restricting New Posts to SD Premium Members ONLY *** (09 May 2025)
Just made a new account? Can't post? Click above.
Help us help you. By posting the year, make, model and engine near the beginning of your help request, followed by the symptoms (no start, high idle, misfire etc.) Along with any prevalent Diagnostic Trouble Codes, aka DTCs, other forum members will be able to help you get to a solution more quickly and easily!
1993 jeep crank no start
- Dunncr
-
Topic Author
- Offline
- User
-
Less
More
- Thank you received: 0
2 years 1 month ago #62793
by Dunncr
1993 jeep crank no start was created by Dunncr
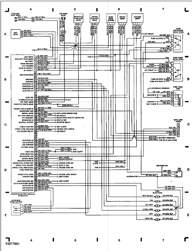
I have a 1993 jeep grand Cherokee 4.0l no start. Long story short I found one of the 2 5v ref circuits with 15.5v. Has anyone seen this before? I ended up cutting the wire and still has the 15.5v coming from the pcm. I assume the pcm is bad but I was just wondering if anything else could cause this.
Please Log in or Create an account to join the conversation.
- Noah
-
- Offline
- Moderator
-
- Give code definitions with numbers!
Less
More
- Posts: 4921
- Thank you received: 1099
2 years 1 month ago #62798
by Noah
"Ground cannot be checked with a 10mm socket"
Replied by Noah on topic 1993 jeep crank no start
15.5 Volts DC? Do you have a battery charger on it?
It's hard to get more than battery voltage on a reference circuit.
It's hard to get more than battery voltage on a reference circuit.
"Ground cannot be checked with a 10mm socket"
Please Log in or Create an account to join the conversation.
- Chad
-
- Offline
- Moderator
-
- I am not a parts changer.
Less
More
- Posts: 2121
- Thank you received: 709
2 years 1 month ago #62810
by Chad
"Knowledge is a weapon. Arm yourself, well, before going to do battle."
"Understanding a question is half an answer."
I have learned more by being wrong, than I have by being right.
Replied by Chad on topic 1993 jeep crank no start
The first thing I would check is the PCM Powers and, especially, Grounds. The voltage regulator, internal to the PCM, requires a good ground to reduce system voltage to 5 volts.
I remember a ScannerDanner Premium video where a Ford Explorer had 29 volts on the PCM power feed.
15.5 Volts DC? Do you have a battery charger on it?
It's hard to get more than battery voltage on a reference circuit.
I remember a ScannerDanner Premium video where a Ford Explorer had 29 volts on the PCM power feed.
"Knowledge is a weapon. Arm yourself, well, before going to do battle."
"Understanding a question is half an answer."
I have learned more by being wrong, than I have by being right.
Please Log in or Create an account to join the conversation.
- Noah
-
- Offline
- Moderator
-
- Give code definitions with numbers!
Less
More
- Posts: 4921
- Thank you received: 1099
2 years 1 month ago #62865
by Noah
"Ground cannot be checked with a 10mm socket"
Replied by Noah on topic 1993 jeep crank no start
I remember that. I went to work the next day and pulled that fuse on Ranger and got the same results. Then a friend of mine a few years later excitedly showed me a case study he was working on with the same issue, lol.
Curious to know how this one plays out...
Curious to know how this one plays out...
"Ground cannot be checked with a 10mm socket"
Please Log in or Create an account to join the conversation.
Time to create page: 0.290 seconds