Help us help you. By posting the year, make, model and engine near the beginning of your help request, followed by the symptoms (no start, high idle, misfire etc.) Along with any prevalent Diagnostic Trouble Codes, aka DTCs, other forum members will be able to help you get to a solution more quickly and easily!
no power
- willie55
-
Topic Author
- Offline
- New Member
-
Less
More
- Posts: 4
- Thank you received: 0
8 years 11 months ago #9800
by willie55
no power was created by willie55
hello i have a 2001 dodge caravan 3.3 this van is in limp mode there is no power going to the eatx relay i used a test light to try to get the relay to open but it didn't doing any thing checked the wires form none broke can you please help me? thinks
Please Log in or Create an account to join the conversation.
- Chad
-
- Offline
- Moderator
-
- I am not a parts changer.
Less
More
- Posts: 2181
- Thank you received: 732
8 years 11 months ago #9813
by Chad
"Knowledge is a weapon. Arm yourself, well, before going to do battle."
"Understanding a question is half an answer."
I have learned more by being wrong, than I have by being right.
Replied by Chad on topic no power
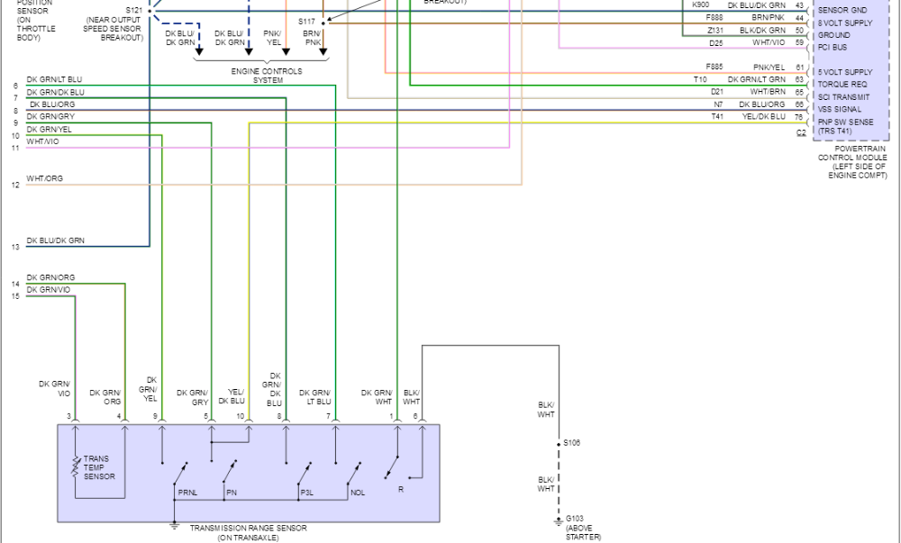
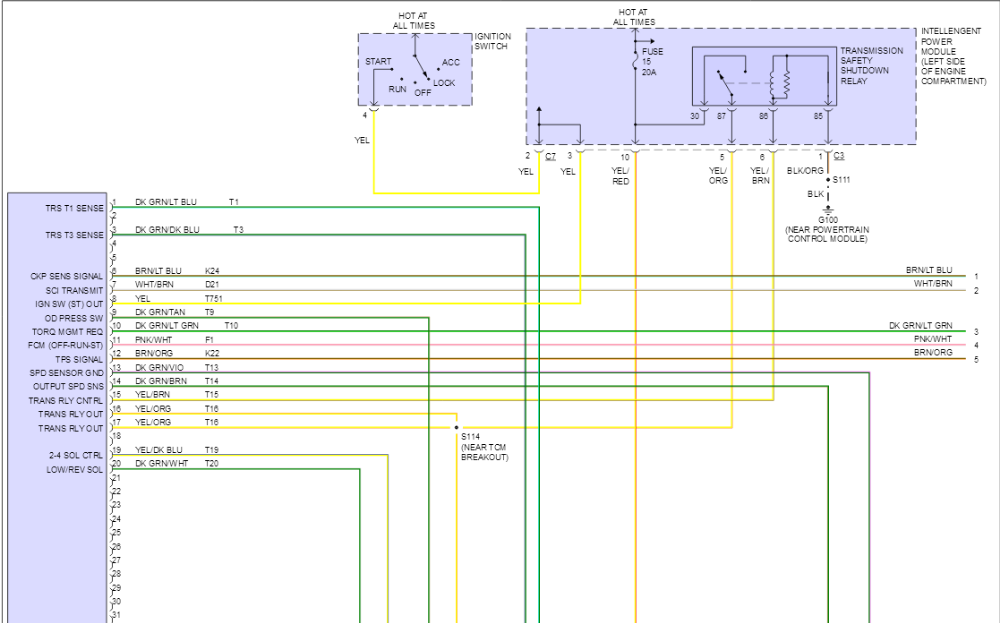
Check fuse #15 (20 amp) in the Inteligent Power Module.
"Knowledge is a weapon. Arm yourself, well, before going to do battle."
"Understanding a question is half an answer."
I have learned more by being wrong, than I have by being right.
Please Log in or Create an account to join the conversation.
- willie55
-
Topic Author
- Offline
- New Member
-
Less
More
- Posts: 4
- Thank you received: 0
8 years 11 months ago - 8 years 11 months ago #9820
by willie55
Replied by willie55 on topic no power
ok
Last edit: 8 years 11 months ago by willie55.
Please Log in or Create an account to join the conversation.
- willie55
-
Topic Author
- Offline
- New Member
-
Less
More
- Posts: 4
- Thank you received: 0
8 years 11 months ago #9823
by willie55
Replied by willie55 on topic no power
yes i checked the fuse it has power on it but no power is going to the relay pins 86 and 30 there is power on 87 but not on the rest.
Please Log in or Create an account to join the conversation.
- Chad
-
- Offline
- Moderator
-
- I am not a parts changer.
Less
More
- Posts: 2181
- Thank you received: 732
8 years 11 months ago - 8 years 11 months ago #9837
by Chad
"Knowledge is a weapon. Arm yourself, well, before going to do battle."
"Understanding a question is half an answer."
I have learned more by being wrong, than I have by being right.
Replied by Chad on topic no power
For your viewing pleasure.
"Knowledge is a weapon. Arm yourself, well, before going to do battle."
"Understanding a question is half an answer."
I have learned more by being wrong, than I have by being right.
Last edit: 8 years 11 months ago by Chad.
The following user(s) said Thank You: Noah
Please Log in or Create an account to join the conversation.
- Chad
-
- Offline
- Moderator
-
- I am not a parts changer.
Less
More
- Posts: 2181
- Thank you received: 732
8 years 11 months ago - 8 years 11 months ago #9838
by Chad
"Knowledge is a weapon. Arm yourself, well, before going to do battle."
"Understanding a question is half an answer."
I have learned more by being wrong, than I have by being right.
Replied by Chad on topic no power
Are you sure it is power on 87? Looking at the schematics, if fuse 15 has power, then relay terminal 30 should have power. I think that your relay is backwards. Not that it matters. It will work both ways. Just trying to clarify pin identification.
"Knowledge is a weapon. Arm yourself, well, before going to do battle."
"Understanding a question is half an answer."
I have learned more by being wrong, than I have by being right.
Last edit: 8 years 11 months ago by Chad.
Please Log in or Create an account to join the conversation.
- willie55
-
Topic Author
- Offline
- New Member
-
Less
More
- Posts: 4
- Thank you received: 0
8 years 11 months ago #9845
by willie55
Replied by willie55 on topic no power
fuse 15 has power but 30 on the relay does not have power only one pin has power that is 87
Please Log in or Create an account to join the conversation.
Time to create page: 0.292 seconds