Help us help you. By posting the year, make, model and engine near the beginning of your help request, followed by the symptoms (no start, high idle, misfire etc.) Along with any prevalent Diagnostic Trouble Codes, aka DTCs, other forum members will be able to help you get to a solution more quickly and easily!
P0420 and U0121
- leoj803
-
Topic Author
- Offline
- New Member
-
Less
More
- Posts: 2
- Thank you received: 0
9 years 3 weeks ago #8841
by leoj803
P0420 and U0121 was created by leoj803
Hello all,
I'm new here and love all the info that is available being here. I'm shade tree mechanic, construction by trade...but love tinkering with cars. I would love to learn more of the diagnostic part of this mechanics trade so i have in vested in a few tools.
My reason posting is this.
2007 Pontiac G5 with 2.2L ecotech
Scan data = P0420 and U0121
I pretty much determined my cat is failing, which was caused my guess by a lean condition that poped a P0171 in this cars history. with the 171 code i found vacume leak caused by bad fuel injector orings. One repaired all good with the P0171
So all that's left is the U0121 "Lost Communication With Electronic Brake Control Module" The puzzling part about this is I have no EBCM on my car. I have checked my network and all seems good which I have only 4 of 6 possible modules. the 4 installed on my car are the ECM, TCM, BCM and PSCM. And option of a EBCM(ABS) and VCIM(onstar) would be the other 2 which I don't have.
Any Ideas??
Any more info or need questions answered let me know. Thank you
LJ
I'm new here and love all the info that is available being here. I'm shade tree mechanic, construction by trade...but love tinkering with cars. I would love to learn more of the diagnostic part of this mechanics trade so i have in vested in a few tools.
My reason posting is this.
2007 Pontiac G5 with 2.2L ecotech
Scan data = P0420 and U0121
I pretty much determined my cat is failing, which was caused my guess by a lean condition that poped a P0171 in this cars history. with the 171 code i found vacume leak caused by bad fuel injector orings. One repaired all good with the P0171
So all that's left is the U0121 "Lost Communication With Electronic Brake Control Module" The puzzling part about this is I have no EBCM on my car. I have checked my network and all seems good which I have only 4 of 6 possible modules. the 4 installed on my car are the ECM, TCM, BCM and PSCM. And option of a EBCM(ABS) and VCIM(onstar) would be the other 2 which I don't have.
Any Ideas??
Any more info or need questions answered let me know. Thank you
LJ
Please Log in or Create an account to join the conversation.
- Tyler
-
- Offline
- Moderator
-
- Full time HACK since 2012
Less
More
- Posts: 6124
- Thank you received: 1541
9 years 3 weeks ago #8851
by Tyler
Replied by Tyler on topic P0420 and U0121
The first thing that occurs to me with the U0121 is if the PCM has been replaced previously, and was incorrectly programmed when installed. During programming, the installing software will ask what options the vehicle has (OnStar, transmission, ect.), and it's possible that someone ticked the ABS option when they shouldn't have. Now the PCM is stuck looking for a module on the network that doesn't exist. :blink:
If you clear the codes, does the U0121 come right back? Any history of module replacement?
If you clear the codes, does the U0121 come right back? Any history of module replacement?
Please Log in or Create an account to join the conversation.
- leoj803
-
Topic Author
- Offline
- New Member
-
Less
More
- Posts: 2
- Thank you received: 0
9 years 3 weeks ago #8855
by leoj803
Replied by leoj803 on topic P0420 and U0121
Thanks for the reply.
I have no history of the pcm switch. After clearing codes the U0121 comes back.
Other than the cat code i have no drivability issues, trims are good o2s good. I only have done injector replacements, spark plugs, oh it did have an evap issue whitch i fixed. Likely another part of a failing cat.
Can i reprogram and will that resolve the U0121 issue?
I would likely have to go to a dealer!
I have no history of the pcm switch. After clearing codes the U0121 comes back.
Other than the cat code i have no drivability issues, trims are good o2s good. I only have done injector replacements, spark plugs, oh it did have an evap issue whitch i fixed. Likely another part of a failing cat.
Can i reprogram and will that resolve the U0121 issue?
I would likely have to go to a dealer!
Please Log in or Create an account to join the conversation.
- Tyler
-
- Offline
- Moderator
-
- Full time HACK since 2012
Less
More
- Posts: 6124
- Thank you received: 1541
9 years 3 weeks ago - 9 years 3 weeks ago #8900
by Tyler
Replied by Tyler on topic P0420 and U0121
Interesting... and the U0121 is setting in the PCM? Not in other modules?
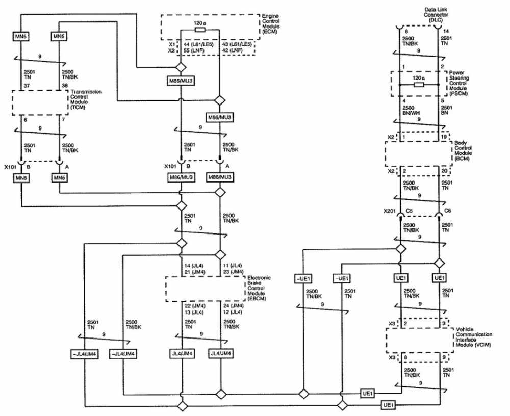
I got curious and decided to go diagram surfing on this one, getting an idea of how the network is laid out. Here's what I found for an '07 G5:
Just like you found, the VCIM is optional, and the OE diagram includes the RPO numbers that go along with that option. The interesting part, though, is that the diagram doesn't show an option for no EBCM. :huh: As far as the diagram is concerned, this year of G5 HAS an EBCM. Worse, according to the diagram, it has to be there or there wouldn't be communication between the PCM and the scanner. :blink:
For giggles, I went one year newer and looked at the same network diagram:
Now we see an option for EBCM.
Could you check your RPO sticker, and see if JL4 or JM4 is on it? If I remember correctly, the sticker will be in the trunk, under the carpet, on the left side of the spare tire well. This'll tell us if the vehicle originally came with ABS or not.
I got curious and decided to go diagram surfing on this one, getting an idea of how the network is laid out. Here's what I found for an '07 G5:
Just like you found, the VCIM is optional, and the OE diagram includes the RPO numbers that go along with that option. The interesting part, though, is that the diagram doesn't show an option for no EBCM. :huh: As far as the diagram is concerned, this year of G5 HAS an EBCM. Worse, according to the diagram, it has to be there or there wouldn't be communication between the PCM and the scanner. :blink:
For giggles, I went one year newer and looked at the same network diagram:
Now we see an option for EBCM.
Last edit: 9 years 3 weeks ago by Tyler.
Please Log in or Create an account to join the conversation.
Time to create page: 0.309 seconds