*** Restricting New Posts to SD Premium Members ONLY *** (09 May 2025)
Just made a new account? Can't post? Click above.
A place for things that don't fit into the automotive world
Building a diagnostic class
- blashbrook
-
Topic Author
- Offline
- New Member
-
Less
More
- Posts: 5
- Thank you received: 0
6 years 1 month ago #34473
by blashbrook
Building a diagnostic class was created by blashbrook
I am building a diagnostic class for an Air Force Vehicle Maint class. I was hoping there will people on here that could provide input.
I want to short a starter solenoid power feed to ground with a resistor. I just enough current pulled from the solenoid to not work. Does anyone have a recommendation on resistor ohms?
Thank you for input in advance. I will be updating this thread as I go along.
I want to short a starter solenoid power feed to ground with a resistor. I just enough current pulled from the solenoid to not work. Does anyone have a recommendation on resistor ohms?
Thank you for input in advance. I will be updating this thread as I go along.
Please Log in or Create an account to join the conversation.
- Andy.MacFadyen
-
- Offline
- Moderator
-
Less
More
- Posts: 3353
- Thank you received: 1037
6 years 1 month ago #34479
by Andy.MacFadyen
" We're trying to plug a hole in the universe, what are you doing ?. "
(Walter Bishop Fringe TV show)
Replied by Andy.MacFadyen on topic Building a diagnostic class
It would need to be close to a dead short, you would need to pull the voltage down to below 9v.
" We're trying to plug a hole in the universe, what are you doing ?. "
(Walter Bishop Fringe TV show)
The following user(s) said Thank You: blashbrook
Please Log in or Create an account to join the conversation.
- blashbrook
-
Topic Author
- Offline
- New Member
-
Less
More
- Posts: 5
- Thank you received: 0
6 years 1 month ago #34481
by blashbrook
Replied by blashbrook on topic Building a diagnostic class
Thank you for the response. I see what you are saying. Aside from just opening the circuit or creating a dead short, do you have any other ideas. I thought about putting a resistor in series but I didn’t want that spot to create to much heat. With a resistor I can drop the voltage to less than 9V. I am good with ohms law enough to figure out dropping 3 volts at the resistor but I don’t know how to account for heat. This will be inside a harness so the students are not able to see it.
Please Log in or Create an account to join the conversation.
- Andy.MacFadyen
-
- Offline
- Moderator
-
Less
More
- Posts: 3353
- Thank you received: 1037
6 years 1 month ago - 6 years 1 month ago #34494
by Andy.MacFadyen
" We're trying to plug a hole in the universe, what are you doing ?. "
(Walter Bishop Fringe TV show)
Replied by Andy.MacFadyen on topic Building a diagnostic class
In the 1960s through to the 1990's some Ford models used a ressistance wire about 400mm long as the ballast restor for the coil primary 12v feed -- that should give enough voltage drop but getting hold might not be easy these days
" We're trying to plug a hole in the universe, what are you doing ?. "
(Walter Bishop Fringe TV show)
Last edit: 6 years 1 month ago by Andy.MacFadyen.
Please Log in or Create an account to join the conversation.
- Andy.MacFadyen
-
- Offline
- Moderator
-
Less
More
- Posts: 3353
- Thank you received: 1037
6 years 1 month ago - 6 years 1 month ago #34495
by Andy.MacFadyen
" We're trying to plug a hole in the universe, what are you doing ?. "
(Walter Bishop Fringe TV show)
Replied by Andy.MacFadyen on topic Building a diagnostic class
This is what you are looking for
Ford Ballast Resistor Wire Ebay Link
Ford Ballast Resistor Wire Ebay Link
" We're trying to plug a hole in the universe, what are you doing ?. "
(Walter Bishop Fringe TV show)
Last edit: 6 years 1 month ago by Andy.MacFadyen.
Please Log in or Create an account to join the conversation.
- blashbrook
-
Topic Author
- Offline
- New Member
-
Less
More
- Posts: 5
- Thank you received: 0
6 years 1 month ago #34500
by blashbrook
Replied by blashbrook on topic Building a diagnostic class
Does that entire wire need to be used, or can I cut it down to use a small section?
Please Log in or Create an account to join the conversation.
- Andy.MacFadyen
-
- Offline
- Moderator
-
Less
More
- Posts: 3353
- Thank you received: 1037
6 years 1 month ago #34502
by Andy.MacFadyen
" We're trying to plug a hole in the universe, what are you doing ?. "
(Walter Bishop Fringe TV show)
Replied by Andy.MacFadyen on topic Building a diagnostic class
I don't know, I wouldn't advise cutting it.
" We're trying to plug a hole in the universe, what are you doing ?. "
(Walter Bishop Fringe TV show)
Please Log in or Create an account to join the conversation.
- blashbrook
-
Topic Author
- Offline
- New Member
-
Less
More
- Posts: 5
- Thank you received: 0
6 years 1 month ago #34507
by blashbrook
Replied by blashbrook on topic Building a diagnostic class
I am considering doing a dead short or open circuit on this one.
Please Log in or Create an account to join the conversation.
- blashbrook
-
Topic Author
- Offline
- New Member
-
Less
More
- Posts: 5
- Thank you received: 0
6 years 3 weeks ago #34653
by blashbrook
Replied by blashbrook on topic Building a diagnostic class
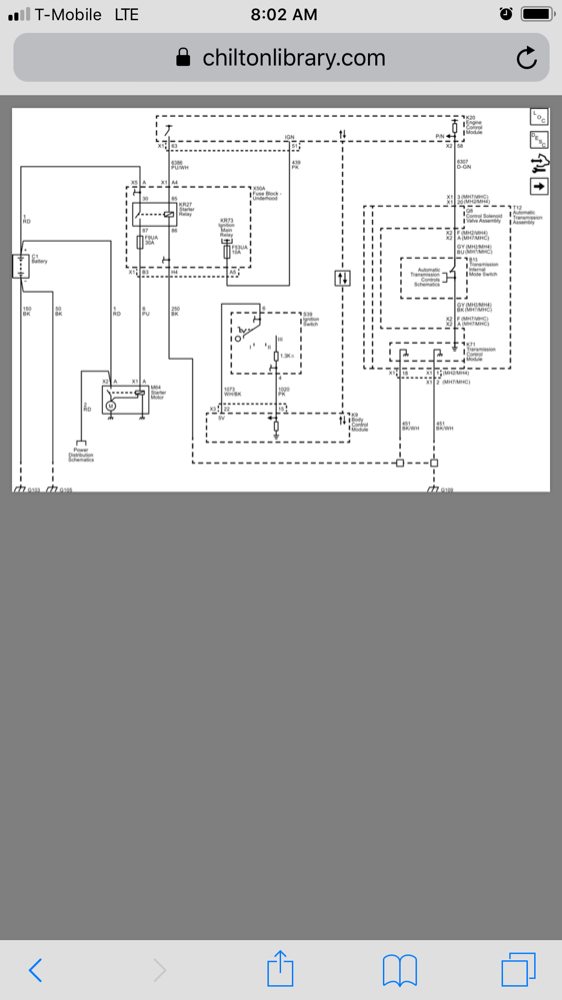
I am working a 2013 Chevrolet Equinox 2.4l LEA. I was trying to put a fault into the ignition switch circuit. It uses a 5vref to interpret what position the key is in. Doing the initial checks it had 5v on the ref wire in the off position and ACC. Then when the key is turned to run the 5v drops to 4.01. The schematic doesn’t show a resistor in the BCM on the vref. If I were to disconnect the connector from the ignition switch, and the touch a test light connected to ground to the vref it would tell me if there was a resistor. If the measurement at the vref drops before the bulb then there is a resistor in the BCM for that reference. Does that sound accurate? This bug did not pan out anyways. With the vref open somehow the BCM new the ignition switch was turned to start so it cranked.
Please Log in or Create an account to join the conversation.
- Andy.MacFadyen
-
- Offline
- Moderator
-
Less
More
- Posts: 3353
- Thank you received: 1037
6 years 3 weeks ago #34707
by Andy.MacFadyen
" We're trying to plug a hole in the universe, what are you doing ?. "
(Walter Bishop Fringe TV show)
Replied by Andy.MacFadyen on topic Building a diagnostic class
This is just a deduction, no a guess based on what you describe I think the computer detects the switch position in a similar way to that used on car stereos to detect commands from steering wheel audio control buttons via a single wire.
Some steering column auto controls work by having having the different buttons connected via different resistors to ground. Similar to a TPS the voltage is supplied from the computer on a single wire via a resistor internal to the computer, that way when a button is pressed the voltage is pulled down to a different value depending on which button is pressed.
Some steering column auto controls work by having having the different buttons connected via different resistors to ground. Similar to a TPS the voltage is supplied from the computer on a single wire via a resistor internal to the computer, that way when a button is pressed the voltage is pulled down to a different value depending on which button is pressed.
" We're trying to plug a hole in the universe, what are you doing ?. "
(Walter Bishop Fringe TV show)
Please Log in or Create an account to join the conversation.
Time to create page: 0.340 seconds