A place to discuss hardware/software and diagnostic procedures

Math channel for intake pulses

  • juergen.scholl
  • juergen.scholl's Avatar Topic Author
  • Offline
  • Platinum Member
  • Platinum Member
  • Active partschanger
More
4 years 6 months ago #52623 by juergen.scholl
Math channel for intake pulses was created by juergen.scholl
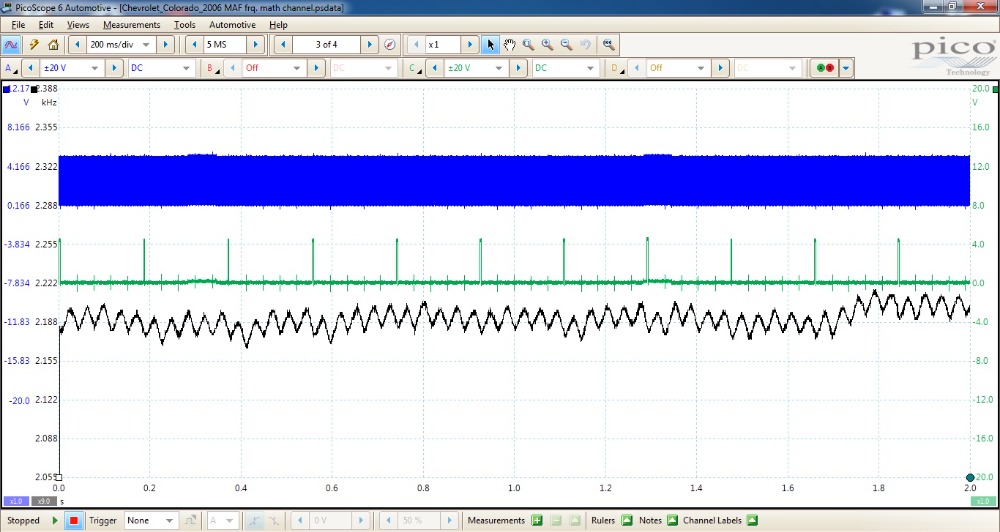
The other day I mentioned to use a math channel to visualize the intake pulls on a digital MAF sensor voltage signal. You would apply a frequency math channel and obtain a trace showing the subtle nuances for every single cylinder. I believe this is basically what the guided test for a digital MAF sensor does.... but with a math channel you would be able to safe one real channel and condition the signal in the way it fits best your purpose.

The attached picture show this procedure applied on GM 3.5 liter 5 cylinder engine. If you wanted I could send you the psdata file as well, it´s just bigger than 5 Mb...



An expert is someone who knows each time more on each time less, until he finally knows absolutely everything about absolutely nothing.
The following user(s) said Thank You: Tyler, Tutti57, KineticAuto

Please Log in or Create an account to join the conversation.

Time to create page: 0.247 seconds