A place to discuss hardware/software and diagnostic procedures

Vibration all the time

  • Gazmendhajra
  • Gazmendhajra's Avatar Topic Author
  • Offline
  • Senior Member
  • Senior Member
More
6 years 5 months ago #35947 by Gazmendhajra
Vibration all the time was created by Gazmendhajra
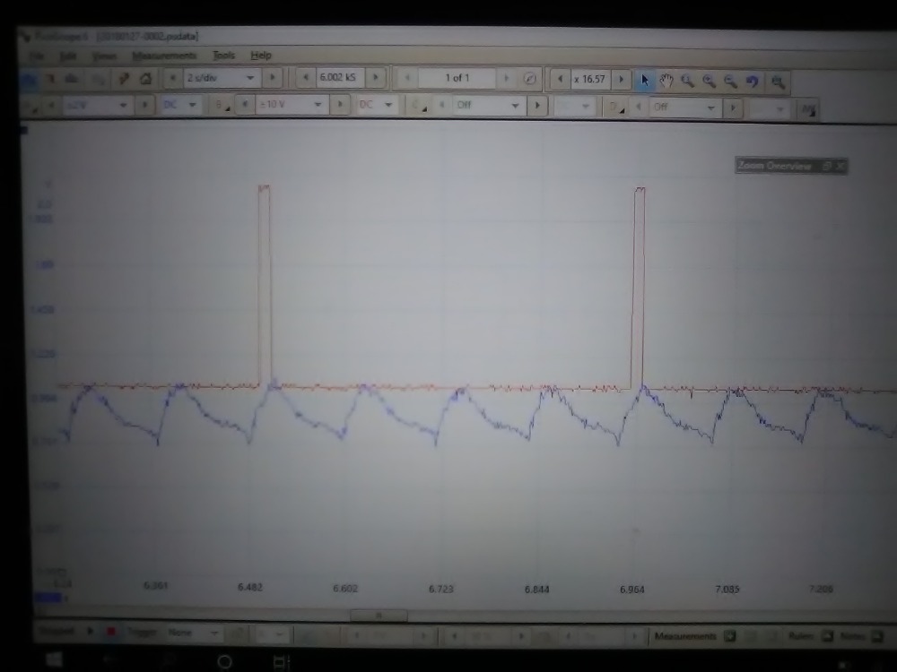
Why is there no vacume on blue is my exhaust valve opening to early ,but the red is also the same cylinder and sometimes it does go to vacume ?
Attachments:

Please Log in or Create an account to join the conversation.

  • Gazmendhajra
  • Gazmendhajra's Avatar Topic Author
  • Offline
  • Senior Member
  • Senior Member
More
6 years 5 months ago #35948 by Gazmendhajra
Replied by Gazmendhajra on topic Vibration all the time
Thanks , and this car has a vvt

Please Log in or Create an account to join the conversation.

  • Chad
  • Chad's Avatar
  • Offline
  • Moderator
  • Moderator
  • I am not a parts changer.
More
6 years 5 months ago - 6 years 5 months ago #35967 by Chad
Replied by Chad on topic Vibration all the time
There is, definitely, an issue with the blue trace. It looks like the exhaust valve is opening late, not early, in BOTH traces. However, it IS pulling a vacuum. -9.8 mv, at 1 mv per psi, would be almost 20 inhg.

Your Blue/Green, vertical cursors are set on 360°. They should be set on 720°, as there are 2 revolutions of the crankshaft, in 4-stroke cycle. Then, use your white cursors to, accurately, measure valve events in degrees of rotation.

What kind of pressure transducer are you using? And, how many mv/unit (psi, or kPa)does it put out?

Are both of the captures taken at Idle?

"Knowledge is a weapon. Arm yourself, well, before going to do battle."
"Understanding a question is half an answer."

I have learned more by being wrong, than I have by being right. :-)
Last edit: 6 years 5 months ago by Chad.

Please Log in or Create an account to join the conversation.

  • Gazmendhajra
  • Gazmendhajra's Avatar Topic Author
  • Offline
  • Senior Member
  • Senior Member
More
6 years 5 months ago #35968 by Gazmendhajra
Replied by Gazmendhajra on topic Vibration all the time
I'm using the fluke pv350 and the coursers I can't change it 720 its the scope I tried doing it custom it won't let me ,its at idle both of them ,its 1millivolt =1 psi

Please Log in or Create an account to join the conversation.

  • Gazmendhajra
  • Gazmendhajra's Avatar Topic Author
  • Offline
  • Senior Member
  • Senior Member
More
6 years 5 months ago #35969 by Gazmendhajra
Replied by Gazmendhajra on topic Vibration all the time
as you can see the timing its on something is shifting it vibrates bad I've done everything to this car ,this car kicked my back so I finally got the pv350 took the capture fought it the marks line up I think the chain is stretched out ,but thank u for helping there is no vacuums at bdtc at the expansion stroke, late exhaust would do that right I need more pressure transducer lessons.

Please Log in or Create an account to join the conversation.

  • Gazmendhajra
  • Gazmendhajra's Avatar Topic Author
  • Offline
  • Senior Member
  • Senior Member
More
6 years 5 months ago #35970 by Gazmendhajra
Replied by Gazmendhajra on topic Vibration all the time
There is some vacuum but its not deep it curves

Please Log in or Create an account to join the conversation.

  • Chad
  • Chad's Avatar
  • Offline
  • Moderator
  • Moderator
  • I am not a parts changer.
More
6 years 5 months ago - 6 years 5 months ago #35976 by Chad
Replied by Chad on topic Vibration all the time
I can't address the non-symmetrical compression towers, right now. I will try to come up with some info for you, though.

In the meantime, I offer a couple tips. :)

The PV-350 is a very good tool. It is best used set on kPa, though. The PV-350 puts out 1mv per unit.

In the psi mode, 1 mv = 1 psi = 6.89476 kPa.
In the kPa mode 1 mv = 1 kPa = 0.145038 psi.

In short, you get 6.89 times the resolution with kPa. To convert to psi, divide the kPa mv reading by 6.89 = psi.

I can't change it 720 its the scope


Have you double-clicked on the [ 360° ]?



It should turn high-lighted blue. You can enter any number you want. You can change the 0° cursor, too. The white cursor will, then, scale to the two blue/green cursors.






An exhaust valve opening EARLY will cause the expansion pocket to be less than (not as deep as) the intake stroke. An exhaust valve that opens LATE will shift the rising edge of the expansion pocket to the right. This event, usually, happens around 45° ± BBDC. I don't see this happening until the 180° (90° on your cursors), when the piston start its upward ascent. I'd like to see a relative compression w/ sync.

I need more pressure transducer lessons


So, do I. B)

"Knowledge is a weapon. Arm yourself, well, before going to do battle."
"Understanding a question is half an answer."

I have learned more by being wrong, than I have by being right. :-)
Attachments:
Last edit: 6 years 5 months ago by Chad.
The following user(s) said Thank You: Noah, Dylan

Please Log in or Create an account to join the conversation.

  • Gazmendhajra
  • Gazmendhajra's Avatar Topic Author
  • Offline
  • Senior Member
  • Senior Member
More
6 years 5 months ago #35978 by Gazmendhajra
Replied by Gazmendhajra on topic Vibration all the time
I have the sync with relative compression, and cam and crank compared it to a known good on iatn 04 Sentra cam and crank look it up and John Thornton had the known good
Attachments:

Please Log in or Create an account to join the conversation.

  • Gazmendhajra
  • Gazmendhajra's Avatar Topic Author
  • Offline
  • Senior Member
  • Senior Member
More
6 years 5 months ago #35983 by Gazmendhajra
Replied by Gazmendhajra on topic Vibration all the time
thanks i double clicked it changed

Please Log in or Create an account to join the conversation.

  • Gazmendhajra
  • Gazmendhajra's Avatar Topic Author
  • Offline
  • Senior Member
  • Senior Member
More
6 years 5 months ago #35985 by Gazmendhajra
Replied by Gazmendhajra on topic Vibration all the time
That's the one with the right ruler's
Attachments:

Please Log in or Create an account to join the conversation.

  • Chad
  • Chad's Avatar
  • Offline
  • Moderator
  • Moderator
  • I am not a parts changer.
More
6 years 5 months ago #35986 by Chad
Replied by Chad on topic Vibration all the time
Your Relative Compression looks good, for that 720°. Does it look as good, zoomed out, looking at 5-10 seconds worth of cranking? What is the ACTUAL compression, in psi, while cranking.

Do all cylinders look the same, when in-cylinder?

thanks i double clicked it changed


Now, click the "Rulers" option and change it to 4 partitions, one for each of the four strokes. This divides the space, between the Blue/Green 720° cursors, into Four 180° sections.



Then use the White Cursors, to take your measurements, by dragging the little white square, on the bottom left of the screen. You can drag, and obtain, TWO white cursors.


"Knowledge is a weapon. Arm yourself, well, before going to do battle."
"Understanding a question is half an answer."

I have learned more by being wrong, than I have by being right. :-)
Attachments:

Please Log in or Create an account to join the conversation.

  • Gazmendhajra
  • Gazmendhajra's Avatar Topic Author
  • Offline
  • Senior Member
  • Senior Member
More
6 years 5 months ago #35994 by Gazmendhajra
Replied by Gazmendhajra on topic Vibration all the time
The spec is 190 psi to 163 minimum psi . Mine read 150 to 147 psi across no leaks when doing a leak down test

Please Log in or Create an account to join the conversation.

  • Gazmendhajra
  • Gazmendhajra's Avatar Topic Author
  • Offline
  • Senior Member
  • Senior Member
More
6 years 5 months ago #35995 by Gazmendhajra
Replied by Gazmendhajra on topic Vibration all the time
168 minimum not 163

Please Log in or Create an account to join the conversation.

  • Gazmendhajra
  • Gazmendhajra's Avatar Topic Author
  • Offline
  • Senior Member
  • Senior Member
More
6 years 5 months ago #35997 by Gazmendhajra
Replied by Gazmendhajra on topic Vibration all the time
It's 143 .3 mv
kinda low but even across
Attachments:

Please Log in or Create an account to join the conversation.

  • Gazmendhajra
  • Gazmendhajra's Avatar Topic Author
  • Offline
  • Senior Member
  • Senior Member
More
6 years 5 months ago #36000 by Gazmendhajra
Replied by Gazmendhajra on topic Vibration all the time
I'm do the rest of the cylinders once I get a chance but 1and 2 are the same , maybe to low of compression I thought 145-150 was ok till I looked at the service info lol

Please Log in or Create an account to join the conversation.

  • Gazmendhajra
  • Gazmendhajra's Avatar Topic Author
  • Offline
  • Senior Member
  • Senior Member
More
6 years 5 months ago #36006 by Gazmendhajra
Replied by Gazmendhajra on topic Vibration all the time
Now that I'm looking at it without good compression there isn't good expansion u lose that deep pocket just ,trying to get to know the good vs bad that's what is all about this car is old but its something to be aware of

Please Log in or Create an account to join the conversation.

  • Chad
  • Chad's Avatar
  • Offline
  • Moderator
  • Moderator
  • I am not a parts changer.
More
6 years 5 months ago #36007 by Chad
Replied by Chad on topic Vibration all the time
♦ Low compression, across the board.
♦ Late EVO.
♦ Intake stroke not reaching full vacuum, until 90° After TDC.

I think the next step is to look up the Camshaft Specs, for the four valve events. Use the cursors to determine at what degree of Crank Rotation the valves are ACTUALLY opening, and closing. Then, compare to specs.

I suspect a retarded camshaft, or worn cam lobes.

What year, make, model, and engine is this?

"Knowledge is a weapon. Arm yourself, well, before going to do battle."
"Understanding a question is half an answer."

I have learned more by being wrong, than I have by being right. :-)

Please Log in or Create an account to join the conversation.

  • Gazmendhajra
  • Gazmendhajra's Avatar Topic Author
  • Offline
  • Senior Member
  • Senior Member
More
6 years 5 months ago #36011 by Gazmendhajra
Replied by Gazmendhajra on topic Vibration all the time
It's 04 Sentra 1.8 I looked at some waveforms and mines its way off just look at this and compare it to the one I have
Attachments:

Please Log in or Create an account to join the conversation.

  • Gazmendhajra
  • Gazmendhajra's Avatar Topic Author
  • Offline
  • Senior Member
  • Senior Member
More
6 years 5 months ago #36012 by Gazmendhajra
Replied by Gazmendhajra on topic Vibration all the time
Lol way off it's like drum's beating under the engine

Please Log in or Create an account to join the conversation.

  • Gazmendhajra
  • Gazmendhajra's Avatar Topic Author
  • Offline
  • Senior Member
  • Senior Member
More
6 years 5 months ago #36014 by Gazmendhajra
Replied by Gazmendhajra on topic Vibration all the time
It's 04 Sentra 1.8 I looked at some waveforms and mines its way off just look at this and compare it to the one I have

Please Log in or Create an account to join the conversation.

Time to create page: 0.336 seconds