*** Restricting New Posts to SD Premium Members ONLY *** (09 May 2025)
Just made a new account? Can't post? Click above.
A place to discuss hardware/software and diagnostic procedures
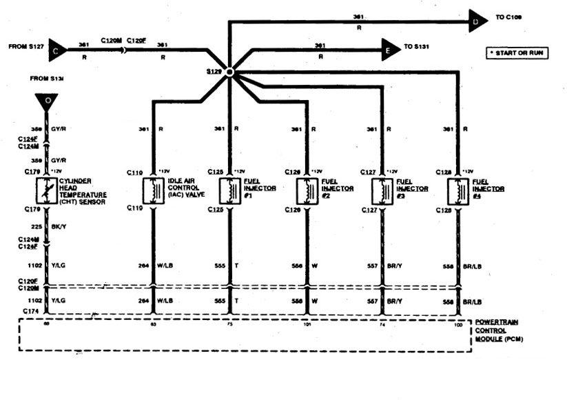
How are 8 wires spliced together in one spot inside a wiring harness?
- benphillipstn
-
Topic Author
- Offline
- New Member
-
Less
More
- Posts: 12
- Thank you received: 1
7 years 4 months ago #21496
by benphillipstn
How are 8 wires spliced together in one spot inside a wiring harness? was created by benphillipstn
Please Log in or Create an account to join the conversation.
- Andy.MacFadyen
-
- Offline
- Moderator
-
Less
More
- Posts: 3353
- Thank you received: 1037
7 years 4 months ago - 7 years 4 months ago #21500
by Andy.MacFadyen
" We're trying to plug a hole in the universe, what are you doing ?. "
(Walter Bishop Fringe TV show)
Replied by Andy.MacFadyen on topic How are 8 wires spliced together in one spot inside a wiring harness?
That is actually a very good question especially on a harness supplying the injectors which is subject to heat and vibration I suspect the wires must join a series of closely spaced tap connections.
I have a couple of Rover K injector harness in the shop I will have a look.
I have a couple of Rover K injector harness in the shop I will have a look.
" We're trying to plug a hole in the universe, what are you doing ?. "
(Walter Bishop Fringe TV show)
Last edit: 7 years 4 months ago by Andy.MacFadyen.
Please Log in or Create an account to join the conversation.
- Andy.MacFadyen
-
- Offline
- Moderator
-
Less
More
- Posts: 3353
- Thank you received: 1037
7 years 4 months ago #21502
by Andy.MacFadyen
" We're trying to plug a hole in the universe, what are you doing ?. "
(Walter Bishop Fringe TV show)
Replied by Andy.MacFadyen on topic How are 8 wires spliced together in one spot inside a wiring harness?
I stripped back a 4 into 1 splice from a reversing sensor harness, the answer turned out to a simple inline crimped connector, the single wire side was a smaller diameter.
" We're trying to plug a hole in the universe, what are you doing ?. "
(Walter Bishop Fringe TV show)
The following user(s) said Thank You: benphillipstn
Please Log in or Create an account to join the conversation.
- Noah
-
- Offline
- Moderator
-
- Give code definitions with numbers!
Less
More
- Posts: 4923
- Thank you received: 1099
7 years 4 months ago - 7 years 4 months ago #21633
by Noah
"Ground cannot be checked with a 10mm socket"
Replied by Noah on topic How are 8 wires spliced together in one spot inside a wiring harness?
I had something with a persistent #4 cylinder misfire that no one could nail down. The top wire in the crimp that spliced together the common ground for the COPs (3 wire design) was just loosely crimped on top of the rest of the splice from the factory.
That was a crimped loop at the ground point though, not a splice in the hidden in the loom.
That was a crimped loop at the ground point though, not a splice in the hidden in the loom.
"Ground cannot be checked with a 10mm socket"
Last edit: 7 years 4 months ago by Noah.
Please Log in or Create an account to join the conversation.
Time to create page: 0.342 seconds