A place to discuss hardware/software and diagnostic procedures

CAN network testing with a test light - Part 2

  • Tyler
  • Tyler's Avatar Topic Author
  • Offline
  • Moderator
  • Moderator
  • Full time HACK since 2012
More
8 years 10 months ago - 8 years 10 months ago #9819 by Tyler
Following up with another thread I had going on the subject of test lights and CAN networks . Cliffnotes: Been told for years that incandescent test lights will let the smoke out of expensive modules if used on a CAN network. Instructor at a recent class says otherwise. I get curious.

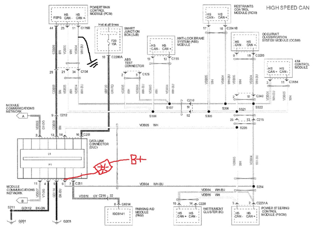
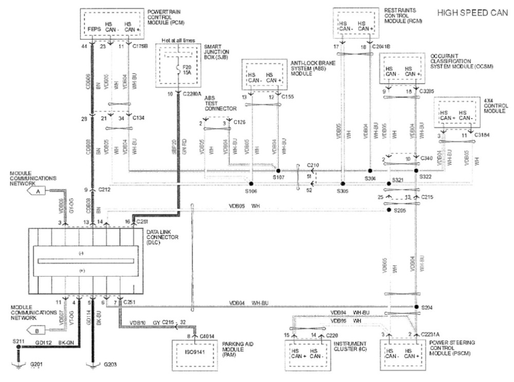
So, I finally got around to testing this out on one of my own vehicles. :cheer: The results were... surprising? For reference, this is the network diagram for this particular '08 Escape:



First up, using an incandescent test light at the DLC. This test supposes that you're poking at the connector, looking for power/ground, and touch one of the CAN pins on accident. Will the network survive? :ohmy: These captures were taken at the DLC, with yellow showing CAN+ and green showing CAN-.

Test light to B-:



Test light to B+:



You can tell that the network nodes are still trying to create signals in both cases, but the test light definitely pulls the voltage high and low. Both result in a no crank and no communication with anything, but goes back to normal after disconnecting the test light. U0100 sets in every module afterwards. No magic smoke yet! :cheer:

Next step, direct short to power and ground at the DLC. This is the kind of thing that might happen if someone gets too trigger happy with a Power Probe, OR wiring harness damage results in wires shorted to each other.

Jumper wire to B-:



Jumper wire to B+:



Yep, that sure as hell shorted them! Same symptoms, same no crank as before. Remove the short, and everything goes back to it's regularly scheduled programming. For giggles, I also tried applying the short with the engine running; the dashboard lit every light available but kept running. :woohoo:

Now we get to what I've been wanting to try - using a test light on a shorted network. :silly: To be honest, I had my doubts about this one. Making the network carry current it's not designed for... If any modules are getting fried, it's with this test.

To be clear about how I'm set up, I added to sketches to the network diagram,



Make sense? I take a deep breath and apply the test light...



Shining bright. Take the light off, and all is well with the network. All modules communicate, waveform looks textbook. It's like it never happened. B) The really interesting part is what happened when I decided to leave the short on CAN+ and touch the test light on the CAN- pin at the DLC:



About half brightness. :huh: If I'm thinking about this right, then the only way this could happen is if current went through the CAN- wiring, through the PCM node, and found the short to ground on the CAN+ wire. :ohmy: That bulb draws 150mA at full brightness, so we can figure 75-100mA is going through that node.

CONCLUSION: Can you use a test light on a CAN network safely? Maybe! My Escape is no worse for it, anyway. :cheer:

To be clear, I am NOT saying this is a good diagnostic test. There are better ways to test CAN networks for shorts, and all of them are far less risky. Also, keep in mind that not all modules are built the same way. This one survived with all it's magic smoke in the box, but yours may not. Proceed at your own risk.
Last edit: 8 years 10 months ago by Tyler.
The following user(s) said Thank You: Noah, Dylan, Andy.MacFadyen

Please Log in or Create an account to join the conversation.

  • Ro-longo
  • Ro-longo's Avatar
  • Offline
  • Elite Member
  • Elite Member
  • North Salt Lake, Utah
More
8 years 10 months ago #9852 by Ro-longo
Replied by Ro-longo on topic CAN network testing with a test light - Part 2
Nice work Tyler, you are more brave than I am.

"Silver bullets are for killing Werewolves, not fixing Cars." -Rob Longoria-

Please Log in or Create an account to join the conversation.

More
8 years 10 months ago #9854 by Ben
Lol nice . Pretty brave considering how hard it is to get that smoke back into those modules!

Sent from my SM-N920P using Tapatalk

Please Log in or Create an account to join the conversation.

More
8 years 10 months ago #9871 by Andy.MacFadyen
Replied by Andy.MacFadyen on topic CAN network testing with a test light - Part 2
Great work.

" We're trying to plug a hole in the universe, what are you doing ?. "
(Walter Bishop Fringe TV show)



Please Log in or Create an account to join the conversation.

  • Tyler
  • Tyler's Avatar Topic Author
  • Offline
  • Moderator
  • Moderator
  • Full time HACK since 2012
More
8 years 10 months ago #9888 by Tyler
Thanks, guys!

Part 3 - Tyler hooks a spark plug wire to the CAN network and starts the engine. :silly: :lol:

Please Log in or Create an account to join the conversation.

  • Noah
  • Noah's Avatar
  • Offline
  • Moderator
  • Moderator
  • Give code definitions with numbers!
More
8 years 10 months ago #9925 by Noah

Tyler wrote: Thanks, guys!

Part 3 - Tyler hooks a spark plug wire to the CAN network and starts the engine. :silly: :lol:


LMAO, I was waiting for the secondary ignition waveform analysis on the CAN lines, but I didn't want to be responsible for planting the idea in your head.

"Ground cannot be checked with a 10mm socket"

Please Log in or Create an account to join the conversation.

  • Tyler
  • Tyler's Avatar Topic Author
  • Offline
  • Moderator
  • Moderator
  • Full time HACK since 2012
More
8 years 10 months ago #9926 by Tyler

Noah wrote: LMAO, I was waiting for the secondary ignition waveform analysis on the CAN lines, but I didn't want to be responsible for planting the idea in your head.


:lol: Good thinking!

If your PP3 is any indication, then a secondary spark probably would make paperweights out of modules...

Please Log in or Create an account to join the conversation.

More
8 years 10 months ago #10053 by Ben
I've got tons of paper weights....

Sent from my SM-N920P using Tapatalk

Please Log in or Create an account to join the conversation.

Time to create page: 0.304 seconds