Cat Oxygen storage test

  • Ephratah
  • Ephratah's Avatar Topic Author
  • Offline
  • Senior Member
  • Senior Member
More
9 years 1 month ago - 9 years 1 month ago #5971 by Ephratah
Cat Oxygen storage test was created by Ephratah
I have been playing around with the oxygen storage test that you show in section 5-13 of the book. I am using a Solus Ultra with 16.4 software is there any way to get the actual time based on the frame rate. I hope this is not a confusing question.

Hitting it with a Hammer is worth $5 knowing where to hit is worth $40
Last edit: 9 years 1 month ago by Ephratah. Reason: add pic

Please Log in or Create an account to join the conversation.

  • Ephratah
  • Ephratah's Avatar Topic Author
  • Offline
  • Senior Member
  • Senior Member
More
9 years 1 month ago - 9 years 1 month ago #5972 by Ephratah
Replied by Ephratah on topic Cat Oxygen storage test
cant seem to get pic to add I attempted to add a pic and cant seem to get it to upload it shows that attachment in the post in the HTML format but does not show up in preview or after the up load I am going to attempt again in this post file size is 390KB which should not be a problem

Hitting it with a Hammer is worth $5 knowing where to hit is worth $40
Attachments:
Last edit: 9 years 1 month ago by Ephratah. Reason: update info

Please Log in or Create an account to join the conversation.

More
9 years 1 month ago - 9 years 1 month ago #5974 by Andy.MacFadyen
Replied by Andy.MacFadyen on topic Cat Oxygen storage test
The answer is "sort of " but not with any great accuracy, you would need to find the rate at which the data frames are being read even then it will always be + or - one frame at best. Your graphs are pretty much typical of working cats on most cars I see ie. not new car text book but good enough.

To improve the chances of getting the best possible result you could improve the frame rate minimising the number of PIDs you are reading ie. look at only one pre-cat and its' paired post cat sensor at the same time.

Usually if the cat is working and it has a usable level of reserve oxygen storage capacity it will be fairly obvious. With a non-working cat the post cat sensor will follow the upstream sensor hi-low-hi-low very closely. If the cat oxygen storage capacity is non-existant or marginal when forced rich to lean the post cat sensor will drop rich to lean with zero to less than a second after the pre-cat.

" We're trying to plug a hole in the universe, what are you doing ?. "
(Walter Bishop Fringe TV show)



Last edit: 9 years 1 month ago by Andy.MacFadyen.

Please Log in or Create an account to join the conversation.

  • Ephratah
  • Ephratah's Avatar Topic Author
  • Offline
  • Senior Member
  • Senior Member
More
9 years 1 month ago #5982 by Ephratah
Replied by Ephratah on topic Cat Oxygen storage test
Thanks this car has a lot of miles but no cat codes it is my car and thought I would look at it for comparison.

Hitting it with a Hammer is worth $5 knowing where to hit is worth $40

Please Log in or Create an account to join the conversation.

  • Tyler
  • Tyler's Avatar
  • Offline
  • Moderator
  • Moderator
  • Full time HACK since 2012
More
9 years 1 month ago #5991 by Tyler
Replied by Tyler on topic Cat Oxygen storage test
Those cats are looking good to me. B)

I just happened to look at an '06 Tacoma with a P0430 recently, here's what the sensors looked like while jamming the mixture rich and lean:



That bank two cat isn't storing anything. :lol:
Attachments:

Please Log in or Create an account to join the conversation.

  • Dylan
  • Dylan's Avatar
  • Offline
  • Moderator
  • Moderator
  • Belgium, Europe
More
9 years 1 month ago #6026 by Dylan
Replied by Dylan on topic Cat Oxygen storage test

Tyler wrote: Those cats are looking good to me. B)

I just happened to look at an '06 Tacoma with a P0430 recently, here's what the sensors looked like while jamming the mixture rich and lean:



That bank two cat isn't storing anything. :lol:


You must have a giant waveform library Tyler, cool :) The upstream here is an A/F sensor right. Just mentioning for those following along.

Please Log in or Create an account to join the conversation.

  • Tyler
  • Tyler's Avatar
  • Offline
  • Moderator
  • Moderator
  • Full time HACK since 2012
More
9 years 1 month ago #6028 by Tyler
Replied by Tyler on topic Cat Oxygen storage test

Dylan wrote: You must have a giant waveform library Tyler, cool :) The upstream here is an A/F sensor right. Just mentioning for those following along.


Yep, upstream A/F sensors, good point.

I do have a huge library! But, none of it is archived or searchable. :( ShopStream Connect could stand to improve in that area. So, it all comes down to my memory of cars I've worked on and why.

Please Log in or Create an account to join the conversation.

  • Dylan
  • Dylan's Avatar
  • Offline
  • Moderator
  • Moderator
  • Belgium, Europe
More
9 years 1 month ago #6033 by Dylan
Replied by Dylan on topic Cat Oxygen storage test
Tyler wrote:

I do have a huge library! But, none of it is archived or searchable. :( ShopStream Connect could stand to improve in that area. So, it all comes down to my memory of cars I've worked on and why.


Guess your brain is the library ;)

Please Log in or Create an account to join the conversation.

More
9 years 1 month ago #6068 by Andy.MacFadyen
Replied by Andy.MacFadyen on topic Cat Oxygen storage test

Dylan wrote: Tyler wrote:

I do have a huge library! But, none of it is archived or searchable. :( ShopStream Connect could stand to improve in that area. So, it all comes down to my memory of cars I've worked on and why.


Guess your brain is the library ;)

+1 :-)

" We're trying to plug a hole in the universe, what are you doing ?. "
(Walter Bishop Fringe TV show)



Please Log in or Create an account to join the conversation.

  • Ephratah
  • Ephratah's Avatar Topic Author
  • Offline
  • Senior Member
  • Senior Member
More
9 years 1 month ago #6133 by Ephratah
Replied by Ephratah on topic Cat Oxygen storage test
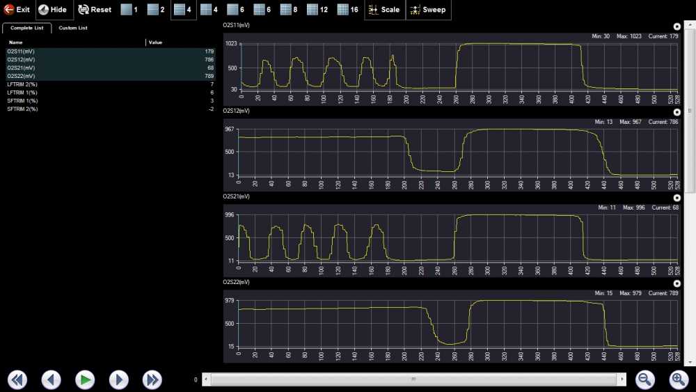
Had a 03 Chevy Blazer 4.3 in with cat code P0420 the main cat has a rattle like the brick has came loose. When I look at the cat cats I can see oxygen storage but it must not be enough have checked 02 sensors and no exhaust leaks fuel trims look good

Hitting it with a Hammer is worth $5 knowing where to hit is worth $40
Attachments:

Please Log in or Create an account to join the conversation.

More
9 years 1 month ago #6134 by Andy.MacFadyen
Replied by Andy.MacFadyen on topic Cat Oxygen storage test
P0420 works mainly on comparing the crossing counts of B1S1 and B1S2 immediately after intial warm up. The PCM counts every time the voltage signal from the oxygen sensors pass through 0.5v. If the count for B1S2 is following too close to that for B1S1 it flags a P0420. If the output from downstream oxygen sensor is following the hi-lo-hil-lo pattern of the upstream to closely it is a sure sign the cat isn't working for some reason.

In your case rattle test shows your cat is probably rubble, if you tested it with a back pressure gauge it would probable fail. If replacing it would be wise to check that chunks of rubble haven't made their way down towards the muffler.

" We're trying to plug a hole in the universe, what are you doing ?. "
(Walter Bishop Fringe TV show)



Please Log in or Create an account to join the conversation.

Time to create page: 0.401 seconds