*** Restricting New Posts to SD Premium Members ONLY *** (09 May 2025)

Just made a new account? Can't post? Click above.

Help us help you. By posting the year, make, model and engine near the beginning of your help request, followed by the symptoms (no start, high idle, misfire etc.) Along with any prevalent Diagnostic Trouble Codes, aka DTCs, other forum members will be able to help you get to a solution more quickly and easily!

FIXED:Stuck after a lightning strike!

  • akwabba
  • akwabba's Avatar Topic Author
  • Offline
  • New Member
  • New Member
More
5 years 10 months ago #35441 by akwabba
Stuck after a lightning strike! was created by akwabba
Good evening. I have a 2007 Dodge Dakota 4x4 quad cab SLT. I’ve only owned it for 8 month. In July, there was a lightning strike about 30 feet away. After the strike, about half the electronics worked on the vehicle and it would not crank to start. Due to were I live, I have no way to get it to a dealership/mechanic and have to do things on my own. (I live in Cat Lake, Ontario, Canada) This is what I've done so far and what has changed.
Replaced the starter - no change
Replaced the ECU - no change (ordered online and it was coded to my VIN).
Replaced the ignition switch - no change
Replaced the TIPM - ALL the electronics work now, BUT still no crank.
When I use a basic ECU reader, it says no communication with the ECU. I've tested the connection and it is getting the power and ground that it should. I have also tried 2 different readers.
When I try the on/off/on/off/on to get the computer to list codes, nothing comes up.
The gear indicator above the odometer does not light up at all. I know it’s in park, but there are no lights to show me that.
I have an opened relay (cover off) and I can manually bypass the relay for the starter and get the engine to crank, but won't start.
I do hear the fuel pump running when I try to run the truck.
I do not think that it is the security system. The light goes off when I try to start the vehicle. The remote keyless entry works ok. The remote starter tries to start the truck, but no crank on that either. It is an aftermarket starter put in by the dealer when it was new.
I have inspected the fuses and relays to the best of my ability. I've swapped all the relays to see if that was an issue and no change.
I don't have much for electrical tools, just a basic multimeter and some t-pins.
I've had a couple of thoughts of what might be wrong and here are those.
1. Park-neutral switch, BUT it doesn't start in any gear (tried them all)
2. The TIPM (not just the fuse box, but the computer component attached) might need to be programmed to my VIN. I've found varying responses online from people that say “ you don't have to do anything as long as the part number is the same (which it is)” and “It must be programmed by the dealer (which is not possible).”
It's about -10 Celsius outside and it will be getting colder. I have no way to get it into a garage so I'm limited to about 10-30 minutes of work before I have to warm up again. I have a digital service manual, but to be honest, not much experience in cars. I have a basic knowledge as my dad taught me some things. He worked at Ford in factories for 35 years, but almost nothing electrical. I’ve watched many videos of Scanner Danner’s, but still struggle with where I can start/continue. I’d like to figure it out. It’s frustrating not having a vehicle where I live and I wouldn’t be able to replace it until the winter roads over the ice work (February).
Any advice would be greatly appreciated.

Please Log in or Create an account to join the conversation.

More
5 years 10 months ago #35442 by Cheryl
Replied by Cheryl on topic Stuck after a lightning strike!
Does the check engine light come on when the key is turned on?? Do you get 5 volt reference at say the tps or map sensor??

Please Log in or Create an account to join the conversation.

  • akwabba
  • akwabba's Avatar Topic Author
  • Offline
  • New Member
  • New Member
More
5 years 10 months ago #35443 by akwabba
Replied by akwabba on topic Stuck after a lightning strike!
Yes, the check engine light does come on and I was able to get a 5volt ref on the map sensor.

Please Log in or Create an account to join the conversation.

More
5 years 10 months ago #35445 by Paul P.
Replied by Paul P. on topic Stuck after a lightning strike!


MIL on at Key ON Engine OFF and 5v is good. The PCM has Power.

You PRNDL not lighting up or unable to connect a scan tool is a COMMUNICATION fault on the CAN + and CAN - data lines.

So let's start off with some basic Voltmeter checks at the DLC where your scan tool hooks up.

Let's check the grounds first, this will all be KOEO(Key on Engine Off). On Volts, find a good B+ source and carefully probe(just touch) pins 4 and 5. You should have B+. IF you have a test Lamp, attach it to a good B+ source and touch 4 and 5, the lamp should light.

Next, check pin 16 for B+. Test lamp to a good ground and touch pin 16, lamp should light.

What are the voltage levels of pins 6 and 14?

Now switch over to the OHMS scale;

What is the resistance between pin 6 and 14?

What is the resistance between pin 6 and pin 4,5 ( assuming they are good grounds or find a good ground source)?
What is the resistance between pin 14 and pin 4,5 " "?

In a nutshell, this is how your starting system works;

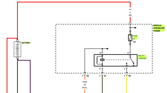
The Ignition Switch changes the voltage level on the PK/GY wire to the Sentry Key Remote Module. This Module sends the Sart command via the CANbus to the Front Control Module ( aka TIPM) and from here, to the PCM (Powertrain Control Module) via the CANbus. The PCM then supplies the ground through Connector 3 PIN 38 DG/OG wire to the starter relay. Then the Vehicle will Crank.

You need to determine what is not functioning correctly on the CANbus (Pins 6 & 14 @ the DLC).

Let's start here for now.

Never stop Learning.
Attachments:

Please Log in or Create an account to join the conversation.

More
5 years 10 months ago #35446 by Cheryl
Replied by Cheryl on topic Stuck after a lightning strike!
If he has a gateway module on the network then the resistance measurement at pins 6 and 16 will be invalid. Do you have a network diagram? I wonder if the tcm and pcm are one unit or there separate

Please Log in or Create an account to join the conversation.

More
5 years 10 months ago #35448 by Paul P.
Replied by Paul P. on topic Stuck after a lightning strike!
Cheryl, there is no gateway module. It's a 4 Connector PCM ( TCM is included), and I would post the pics of the network but I can't seem to blow them up. PITA
ALLData ones are crap they show the CAN+ lines and all the mods in one pic, then another for all CAN- lines lol, Wish I had Mitchell, they have much more user friendly diagrams!

Never stop Learning.

Please Log in or Create an account to join the conversation.

  • akwabba
  • akwabba's Avatar Topic Author
  • Offline
  • New Member
  • New Member
More
5 years 10 months ago - 5 years 10 months ago #35451 by akwabba
Replied by akwabba on topic Stuck after a lightning strike!
OK - just checked that information and here's the results.
pins 4&5 have lots of power.
Pin 16 lights the test light
OHMS between 6&14 sat at about 55.8. (After reading why to do this test, I also tested it with the key off and out and it ready at 65 ohms)
OHMS between 6&4/5 - 0 same with 14&4/5
All were tested with the key on, engine off.
At one point I did check the voltage on the can+/- and they sat about 2.3 volts each.
ALSO, I forgot to add that there is a drain on the battery. When I pulled the IOD fuses, the drop went to almost 0 amps. With those fuses in, the draw was well over 1 amp.
So now I'm curious what my results mean. Thanks!
Last edit: 5 years 10 months ago by akwabba. Reason: Adjusted when did more testing

Please Log in or Create an account to join the conversation.

More
5 years 10 months ago #35453 by Cheryl
Replied by Cheryl on topic Stuck after a lightning strike!
How did you check pins 4 and 5?? Did you use test light hooked up to ground then probed terminals 4 and 5 and lit up?? If so those grounds are bad

Please Log in or Create an account to join the conversation.

  • akwabba
  • akwabba's Avatar Topic Author
  • Offline
  • New Member
  • New Member
More
5 years 10 months ago #35454 by akwabba
Replied by akwabba on topic Stuck after a lightning strike!
I connected the test light to the battery positive then probed 4 & 5. Just to make sure, I just connected the test light to the negative and probed 4&5 - no light. The only ground light was 16

Please Log in or Create an account to join the conversation.

More
5 years 10 months ago #35495 by Paul P.
Replied by Paul P. on topic Stuck after a lightning strike!
Ok, so you're chasing down a No Comm issue (65 Ohms) should be 60 Ohms.

Looks like you are in for a little fun to say the least!

Your CANbus has a total of 11 possible Modules, your particular vehicle model may not have them all! They are as follows;

1. PCM ( Power Train Control Module)
2. Front Control Module ( the TIPM or IPM)
3. A/C Heating Control Module
4. Instrument Cluster
5. Amplifier-Radio Module (Right Lower Kick Panel)
6.Module Sentry Key Remote(At the Steering Column) ***** this one needs the input from the ignition switch*****
7. Radio Module (Rear of Radio)
8. Hands-Free Module (left Side Instrument Panel)
9.Occupant Restraint Controller Module (Below Center Console)
10. Electronic Overhead Module ( Front Headliner)
11. Satellite Receiver Module. (Left Rear Floor)

You'll know you're unplugging a module by the twisted pair wires in the connector.

You replaced 2 of these already, the PCM and the TIPM, hope you kept them, they may need to be plugged back in.

A bad Module(S), is bringing the CANbus to 65 Ohms, it should be 60 Ohms, This is also why a scan tool won't connect or your vehicle to crank.

So with the key off your gonna OHM pin 6 and 14 and start unplugging all these modules 1 by 1, So you'll unplug the PCM (all 4 Connectors) and go check the ohmmeter for 60, if you still have 65, it wasn't that particular module, plug it back in and go to the next one. Try the easy access ones first!

The required modules to crank this vehicle are:

1. Sentry Key Remote
2. PCM
3. TIPM

Post back your Findings! Good Luck.

Paul, from Sault Ste. Marie, ONTARIO, just a little southeast of ya, much warmer though lol

Never stop Learning.
Attachments:

Please Log in or Create an account to join the conversation.

More
5 years 10 months ago #35503 by Cheryl
Replied by Cheryl on topic Stuck after a lightning strike!
I think 65 ohms is pretty close to 60 ohms. There’s resistance through the wiring and modules themselves. That test just proves the network isn’t open or shorted to ground. If it read 120 ohms I’d be concerned. Needs to check voltages on the can lines with a scope. Or atleast get a scanner that’s more than a basic code reader and see what modules will communicate to it on the bus. But I think your right he’s still going to have to unplug modules 1 at a time
The following user(s) said Thank You: Paul P.

Please Log in or Create an account to join the conversation.

  • akwabba
  • akwabba's Avatar Topic Author
  • Offline
  • New Member
  • New Member
More
5 years 10 months ago #35526 by akwabba
Replied by akwabba on topic Stuck after a lightning strike!
Good evening! Thanks for your input. It's nice to hear from someone up north although not quite as north as me, but mostly understands the having to work in the cold :).
So I went out tonight as it was only -3 and tried a couple things.
I pulled out the connection to the sentry key remote and no changes in resistance.
I then unplugged all 4 connections to the computer and the resistance changed to 55 with the key on or off. Does that mean that my issue is with the ECU/PCM? Right now I have the replacement ECU in the vehicle. I still have the old one, but it was doing the exact same thing that the refurb unit is doing. I purchased the unit from Flagship One Inc ( www.fs1inc.com/ ) and they are supposed to have it programmed to the VIN and all. My one thought was that when I put the refurb ECU in, the IPM was still bad (one headlight would come on when I plugged in the battery, half the electronics didn't work, etc) and I'm wondering if the damaged IPM caused damage to the replacement ECU. I might be able to get Flagship 1 to try another unit, but I'm not sure if they would.
Thoughts on that?

I was also wondering if the modules are working great (like the radio), do I need to check those modules too?

Also, Cheryl, I would love to get a scanner that is more than a basic code reader, but I struggle with what to get and if it is worth it for me to purchase one right now. I don't really have a way to get my hands on one and am unable to get the vehicle to a place to get it scanned properly. Any ideas for that would be great.

Please Log in or Create an account to join the conversation.

More
5 years 10 months ago #35541 by Paul P.
Replied by Paul P. on topic Stuck after a lightning strike!
Well, I know you have limited tools and NoComms usually require a scope as Cheryl stated. I was hoping it would have been one of the other modules other than the PCM, TIPM, and Sentry, that would have been the culprit.

Yes, you do have to pull them all, and in your case if you see a change in the Ohm meter, try cranking it.

In lieu of a lightning strike it would be very possible to have melted wires, and more than one fried module.

Your theory of the second PCM makes a lot of sense, this could happen, and very well may be the case.

I was hoping to get away with just using an OHM Meter, sometimes seeing a 'change' is better than seeing nothing at all.

Never stop Learning.

Please Log in or Create an account to join the conversation.

  • akwabba
  • akwabba's Avatar Topic Author
  • Offline
  • New Member
  • New Member
More
5 years 10 months ago #35544 by akwabba
Replied by akwabba on topic Stuck after a lightning strike!
ok - so just to verify before I go and do it all, I need to plug back in the ECU then start pulling other modules to see if the OHMs drops again? If I do find one that is not necessary (i.e. radio), then I can try to start the car? Sorry for sounding ignorant, but I don't want to spend too much time outside if I don't have to.
I have called at talked to Flagship 1 and am working to see if they would be willing to send another ECU to me.
ALSO, when all this happened, I had 4 things in my house that fried - a printer, cordless phone system, stereo, and a router. No wires were fried inside and I'm hoping the same with the truck. The lightning what RIGHT beside the house, but about 30 feet away from the truck.
thanks for all your help - it's giving me hope once again!

Please Log in or Create an account to join the conversation.

More
5 years 10 months ago #35547 by Paul P.
Replied by Paul P. on topic Stuck after a lightning strike!
At best, what we are trying to accomplish is determing the cause of the NoComm condition. As I stated, you need to unplug modules on by one to see if you can get the PRNDL back up. If that lights up you have comm back. I was hoping it wasnt the PCM, TIPM, or Sentry, because those are required to crank this engine.
This task often can't be accomplished without a scope.

When you unplug either PCM and you saw a change, that may not necessarily be a good thing, try rolling the key over at that point to see if the PRNDL lights up.

Not trying to discourage you, but these are things that can be done in leui of not having a scope.

This is about the best info I can give you.

Never stop Learning.

Please Log in or Create an account to join the conversation.

  • akwabba
  • akwabba's Avatar Topic Author
  • Offline
  • New Member
  • New Member
More
5 years 10 months ago #35551 by akwabba
Replied by akwabba on topic Stuck after a lightning strike!
I couldn't do too much tonight - cold...
What I did do was try each connection to the ECU to see if certain ones had higher OHMs. So, here's what I found.
Connection black/black & black/natural had no change in OHMs
Connections black/orange & black/green increased OHMs to 65 individually.
Not sure what that means or if it means anything, but thought I'd put that out there. I was hoping that maybe it would narrow down the modules that I need to look at as it is hard to spend too much time outside working on it right now.
Thoughts?
Should I plug the computer back in and try modules?

Please Log in or Create an account to join the conversation.

  • akwabba
  • akwabba's Avatar Topic Author
  • Offline
  • New Member
  • New Member
More
5 years 10 months ago #35573 by akwabba
Replied by akwabba on topic Stuck after a lightning strike!
I haven't had the chance to do anymore this week yet. I hope to on Saturday. It's supposed to warm up to about -10 Celsius.
I was talking to a mechanic locally (he only does heavy machinery and doesn't have time to even look at my truck...) and he suggested that it's the security system on the truck and that I should try and either bypass it or replace. Hard to replace as it requires dealership information, but just wondering what everyone's thoughts on that would be? He suggested testing for power along the line from the ignition switch/key to the relay when trying to start the vehicle and see where it stops.
thoughts on that?
Thanks!

Please Log in or Create an account to join the conversation.

More
5 years 10 months ago #35650 by Deltron
Replied by Deltron on topic Stuck after a lightning strike!
No, focus on the no comm. These modules need to talk to each other to start the car. You need a scope or cash for a diag.

Please Log in or Create an account to join the conversation.

More
5 years 10 months ago #35661 by Tutti57
Replied by Tutti57 on topic Re:Stuck after a lightning strike!
Do you not have to disconnect the neg battery terminal when testing resistance between CAN high and low on this Dodge? The numbers will not be right on Nissan's with the battery connected.

Nissan Technician

Please Log in or Create an account to join the conversation.

  • akwabba
  • akwabba's Avatar Topic Author
  • Offline
  • New Member
  • New Member
More
5 years 10 months ago #35966 by akwabba
Replied by akwabba on topic Stuck after a lightning strike!
Good evening. So I haven't had a chance to go through and test modules, but I check the amperage drain on the battery tonight as I had noticed that the battery would die rather quickly when plugged in.
I set up the multimeter and walked away for about 30 minutes. When I came back to the truck, it read 1.37 Amps, then after several seconds went down to .8 amps, then several more to .67, then down to .025 amps. A few seconds after that, it went back up to 1.37 and just kept up that cycle. Out of curiosity, I unplugged the ECM and no change on the battery drain. I was then starting to get cold and disconnected the battery. During the 1 hour or so of it being plugged in, the voltage went from 12.8 to 12.28.
Last time I tested the amperage, I pulled the IOD fuses and the voltage dropped. I don't remember the voltage changing in a cycle like that though. I did not pull any fuses this time to see if the voltage changed - cold.
Any thoughts? Thanks!

Please Log in or Create an account to join the conversation.

Time to create page: 0.397 seconds