Help us help you. By posting the year, make, model and engine near the beginning of your help request, followed by the symptoms (no start, high idle, misfire etc.) Along with any prevalent Diagnostic Trouble Codes, aka DTCs, other forum members will be able to help you get to a solution more quickly and easily!

2011 bmw 5351 overheating issue

  • Jay2034
  • Jay2034's Avatar Topic Author
  • Offline
  • Senior Member
  • Senior Member
More
7 years 4 months ago #25195 by Jay2034
2011 bmw 5351 overheating issue was created by Jay2034
Hey guys I have this issue that was handed down to me at the shop. Bmw was overheating and had some codes stored from what they told me. Thermostat housing was replaced. Water pump was replaced and the radiator. It's still overheating and i asked was the bleeding procedure done? Answer was no so i went ahead and did the procedure twice and the pump is coming on and dandy . Turned on the car and watch scan data and temperature was climbing to 212 degrees and i look outside and fans not kicking on and warning light comes on that the engine is too hot and pull over to let cool down. So i can be directionally control the fans and it comes on high like a jet. I tap on to the signal wire and i have a signal and still at 212 degrees this fan doesn't kick on. If i turn on the ac the low speed fan does come on but by itself idling it doesn't kick on. At the moment there is no codes stored and I'm stomped. Alldata really doesn't have much info on this but on bbby industries I found a diagram of the layout of the coolant system and the fan has 3 wires and the heavy gauge red wire is being fed power from a 100 amp then it shoots to a cut out relay on the load side. The control side is being fed 7.5 amp fuse and the DME is controlling it. I can't find this cut out relay and no good diagrams out there. So that why I tapped into the signal wire from the computer at the fan. With the car off I have roughly 5 volts on the signal wire and I'm like how is there power with the car off. So I unplug it and it goes down to zero. Plug it in and same 5 volts. So I started the car and let it get hot again and turn it off and i see on the scope that it's at 9 and half volts almost as if its staying on to let the car cool off but the fan is not turning. Unplug and drops to zero. Plug it back in and it has 6 volts. I stay watching it and voltage starts to climb down. Dont know if this is normal but without good info I can't make a call on the fan assembly. But that's just odd to me voltage is there with the car off. Am I barking up the wrong tree guys. Any help would be much appreciated. Thank u

Please Log in or Create an account to join the conversation.

  • Chad
  • Chad's Avatar
  • Offline
  • Moderator
  • Moderator
  • I am not a parts changer.
More
7 years 4 months ago - 7 years 4 months ago #25201 by Chad
Replied by Chad on topic 2011 bmw 5351 overheating issue
It looks like the cut-out relay is for the 528i, not the 535i.





Copied and pasted:

Functional description
The electric fan is controlled by the engine control unit via a pulse-width-modulated signal (evaluation by electronic circuitry in the fan). The engine control unit controls the various radiator fan speeds by means of a pulse-width modulated signal (between 7% and 93%). Pulse duty factors less than 7% and greater than 93% do not trigger activation but rather they are used for fault recognition purposes. The speed of the radiator fan is dependent on the coolant temperature at the coolant outlet (radiator) and the pressure in the air conditioning system. When the cars driving speed increases, the speed of the radiator fan decreases.

Check the Radiator Outlet Temperature Sensor.
Does the outlet of the radiator feel hot?

"Knowledge is a weapon. Arm yourself, well, before going to do battle."
"Understanding a question is half an answer."

I have learned more by being wrong, than I have by being right. :-)
Attachments:
Last edit: 7 years 4 months ago by Chad.

Please Log in or Create an account to join the conversation.

  • Chad
  • Chad's Avatar
  • Offline
  • Moderator
  • Moderator
  • I am not a parts changer.
More
7 years 4 months ago #25202 by Chad
Replied by Chad on topic 2011 bmw 5351 overheating issue
I don't recall the make/model but, I had a car with a similar situation. There was a temp sensor for the cooling fans on the outlet of the radiator. It never got up to temperature at the radiator outlet but, the engine coolant temp would get to 260+. The radiator outlet was, merely, warm to touch. This car had a broken water pump impeller.

"Knowledge is a weapon. Arm yourself, well, before going to do battle."
"Understanding a question is half an answer."

I have learned more by being wrong, than I have by being right. :-)
The following user(s) said Thank You: CurrentDraw

Please Log in or Create an account to join the conversation.

  • Jay2034
  • Jay2034's Avatar Topic Author
  • Offline
  • Senior Member
  • Senior Member
More
7 years 4 months ago #25203 by Jay2034
Replied by Jay2034 on topic 2011 bmw 5351 overheating issue
Hey pole those colors on that wiring diagram does not fit my car. It's a heavy gauge red wire and heavy guage brown wire that is ground and the black and green wire that is from the computer. These guys changed the whole thermostat with the sensor in it. New radiator and electric water pump. All these were dealer items. On scan data coolant outlet radiator or something like that is reporting more than two hundreds degrees. Indicating to me the thermostat is opening. I didn't check the hose to see if it was hott but if everything is new why wouldn't it be. I know exactly what temp sensor u are talking about that sits right on top of the radiator outlet hose right side of radiator but this model doesn't have it. 2011 bmw 535i twin turbo. Thank u my friend

Please Log in or Create an account to join the conversation.

More
7 years 4 months ago #25204 by CurrentDraw
Replied by CurrentDraw on topic 2011 bmw 5351 overheating issue
I had the same situation on a 07 Acura TSX with a biased low ECT sensor 2 (radiator outlet). Car was overheating but PCM would not energize neither fan relays. No DTC's, ECT sensor 1 (cylinder head) reading 235+ , Fans command stayed OFF via live data.

Only way to bring coolant temps down was to turn the AC command ON which would cause the PCM to energize the relays. Ended up needing a new ECT sensor 2. Not saying this may be your problem but worth looking into.

The on-board diag software is only as good as what the programmers "teach" it to look for. In the real world with hundreds of variables even the best software engineers can't anticipate the unique cases such as the broken water pump impeller in Pole71's case study or mine.

Please Log in or Create an account to join the conversation.

  • Chad
  • Chad's Avatar
  • Offline
  • Moderator
  • Moderator
  • I am not a parts changer.
More
7 years 4 months ago - 7 years 4 months ago #25213 by Chad
Replied by Chad on topic 2011 bmw 5351 overheating issue

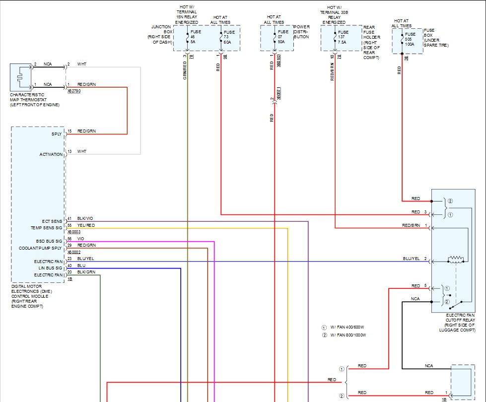
Jay2034 wrote: Hey pole those colors on that wiring diagram does not fit my car. It's a heavy gauge red wire and heavy guage brown wire that is ground and the black and green wire that is from the computer.


This is for a 2010 BMW 535i.



"Knowledge is a weapon. Arm yourself, well, before going to do battle."
"Understanding a question is half an answer."

I have learned more by being wrong, than I have by being right. :-)
Attachments:
Last edit: 7 years 4 months ago by Chad.

Please Log in or Create an account to join the conversation.

More
7 years 4 months ago - 7 years 4 months ago #25218 by Andy.MacFadyen
Replied by Andy.MacFadyen on topic 2011 bmw 5351 overheating issue
I wouldn't expect the fans to kick on slow speed until well over 100c/212f I am not sure if this model has a 2 or 3 speed fan but with the AC off I would not expect the fan to cut in on slow speed until over 105c about 221f. With a two speed fan the higher speed generally cuts in around 115c or 239f. The cooling system on BMW the 50/50 coolant mix is generally pressurized up to either 140kpa ( 1.4bar or 20psi) or 200kpa (2bar or 29psi). The combination of the antifreeze and and pressure raise the boiling point to 137c/280f for the 200kpa/20psi cap and much higher for the 300kpa/30psi cap

The coolant system pressure cap will be marked on the top 140 for the 20psi cap or 200 for 30psi cap.

" We're trying to plug a hole in the universe, what are you doing ?. "
(Walter Bishop Fringe TV show)



Last edit: 7 years 4 months ago by Andy.MacFadyen.

Please Log in or Create an account to join the conversation.

  • Jay2034
  • Jay2034's Avatar Topic Author
  • Offline
  • Senior Member
  • Senior Member
More
7 years 4 months ago #25234 by Jay2034
Replied by Jay2034 on topic 2011 bmw 5351 overheating issue
Hey what's up Andy. If that is true then why at 212 and climbing message on dash says engine is too hott,pull over and careful to open good. These fans dont kick in. Only as a fail safe mode it will kick it on to full blast when its boiling. With ac turned on it kicks on low but by itself nothing. I'm lost with this one. Dont know if there is a TSB for that. Thank you guys for the help

Please Log in or Create an account to join the conversation.

More
7 years 4 months ago #25244 by Tutti57
Replied by Tutti57 on topic Re:2011 bmw 5351 overheating issue
Maybe see which temp sensor is linked to activating that light. Is it possible that the temp sensor linked to the fan is different that the dash light?

Sent from my Moto E (4) Plus using Tapatalk

Please Log in or Create an account to join the conversation.

More
7 years 4 months ago #25250 by Andy.MacFadyen
Replied by Andy.MacFadyen on topic 2011 bmw 5351 overheating issue
I have been looking into this and it crazy --- this data is for the N55 engine the ECM controls the thermostat in different modes and opens and closes to run the engine in these temperature targets --- there are also two "high" modes that I believed are triggered inr high ambient temperatures

108c --- Economy Mode
104c --- Normal Mode

Engine protection mode is triggered at 129c coolant or 163c oil temperature

These excessively high "normal" temperatures are causing the owners some concern and apparently there is an 80c "dumb" thermostat conversion available,

" We're trying to plug a hole in the universe, what are you doing ?. "
(Walter Bishop Fringe TV show)



Please Log in or Create an account to join the conversation.

  • Jay2034
  • Jay2034's Avatar Topic Author
  • Offline
  • Senior Member
  • Senior Member
More
7 years 4 months ago #25260 by Jay2034
Replied by Jay2034 on topic 2011 bmw 5351 overheating issue
Yeah Andy it is crazy. I'm growing grey hairs over this. Alldata has good information and I was reading and I back probed the coolan6 temp sensor to see if it is reporting accurately and to the ac pressure sensor as it says the fans operate depending on coolant temp and ac pressure in system. These fan units has an internal something built in which is probably why I have voltage on the signal wire with the car off plugged in and no power unplugged. I thought the computer driver was sending that voltage.

Please Log in or Create an account to join the conversation.

Time to create page: 0.434 seconds